R97減速機 同軸減速箱 RX97 RXF97 RF97詳細信息/Detailed Information
R97減速機 同軸減速箱 RX97 RXF97 RF97
減速機型號:R97 RX97 RF97 RXF97
電機 功率:0.12KW-132KW
輸入 轉速:710-1400RPM
減速機扭矩:3.5-18000N/M
減速機比數:1比-24000比
輸出轉速范圍:0.8-700RPM
r97減速機_rxf97減速器_rf97減速箱_RXF97減速馬達_r系列減速電機
R97減速機-工作環境
R97減速機工作環境要求高速軸轉不大于15000轉/分。齒輪傳動圓周速度不大于2000米/秒。工作環境溫度為-40-45℃,如果低于0℃,啟動前潤滑油應預熱至0℃以上。齒輪減速機可用于正反兩個方向運轉。
R97減速機-型號:http://www.tp520.com.cn/rxiliejiansuji.html 更多R系列型號,請點擊鏈接
R97減速機-效率:
▽采用了高精度齒輪、油封、軸承,有效降低了摩擦,齒輪傳動的間小路可達97%;
▽在某些安裝方式時,輸入齒輪完全浸再潤滑油中,對于大機座號和高輸入轉速的情況,須考慮攪油損失。
RX97底腳安裝斜齒輪減速機
RXF97底腳安裝單斜齒輪減速機
R97法蘭安裝單斜齒輪減速機
RF97法蘭立式安裝斜齒輪減速機
R97F法蘭臥式安裝斜齒輪減速機
RZ97法蘭安裝斜齒輪減速電機
R97減速機-圖片:(此圖由VEMT推廣部人員上傳,請以實物圖為準,可撥打電話0769-85992468獲取實物圖)
R97減速機-輸入版型
直聯電機輸入
AM(IEC)法蘭輸入
AD軸輸入
R97減速機-特點:
此R系列減速機采用了系列化、模塊化的設計,傳動比覆蓋范圍廣、分精細;
傳動效率高,耗能低,性能優越;
齒輪經高精度磨齒機磨削加工,傳動平穩,噪音低,承載能力大,壽命長;
設計精巧,體積小,安裝簡便,用途廣泛;
安裝方式多樣,適合全方位的能安裝配置;
可實現R系列減速機、F系列減速機、K系列減速機、S系列減速機與RF系列雙聯體組合,適用于特殊低速的應用。
R97減速機-主要材料:
箱體:HT250高強度鑄鐵,射型內腔,有效減少零件磨損;
齒輪:20CrMo優質合金鋼,碳氮共滲處理(精磨后保持齒面硬度HRC60);
平鍵:45鋼,表面硬度HRC50。
R97減速機-使用條件:
環境溫度-40至50°C(0°C以下啟動時潤滑油需加熱到0°C以上或采用防凍潤滑油);
輸入轉速不大于2800轉/分;
可用于正反轉;
無行業限制。
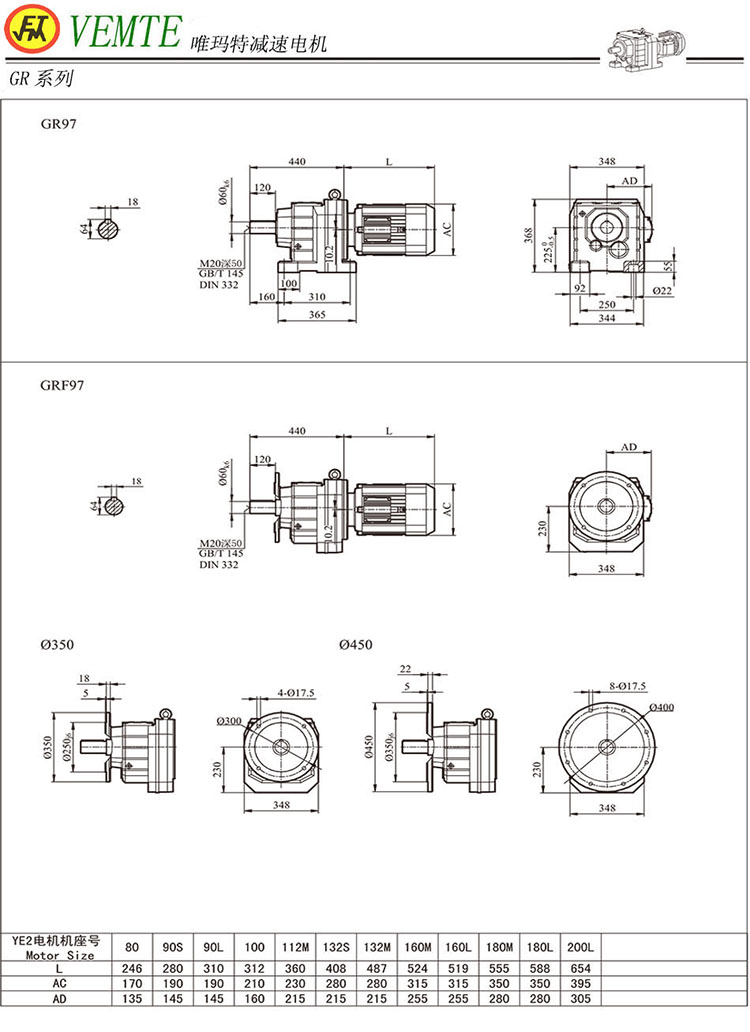
R97減速機尺寸圖紙:
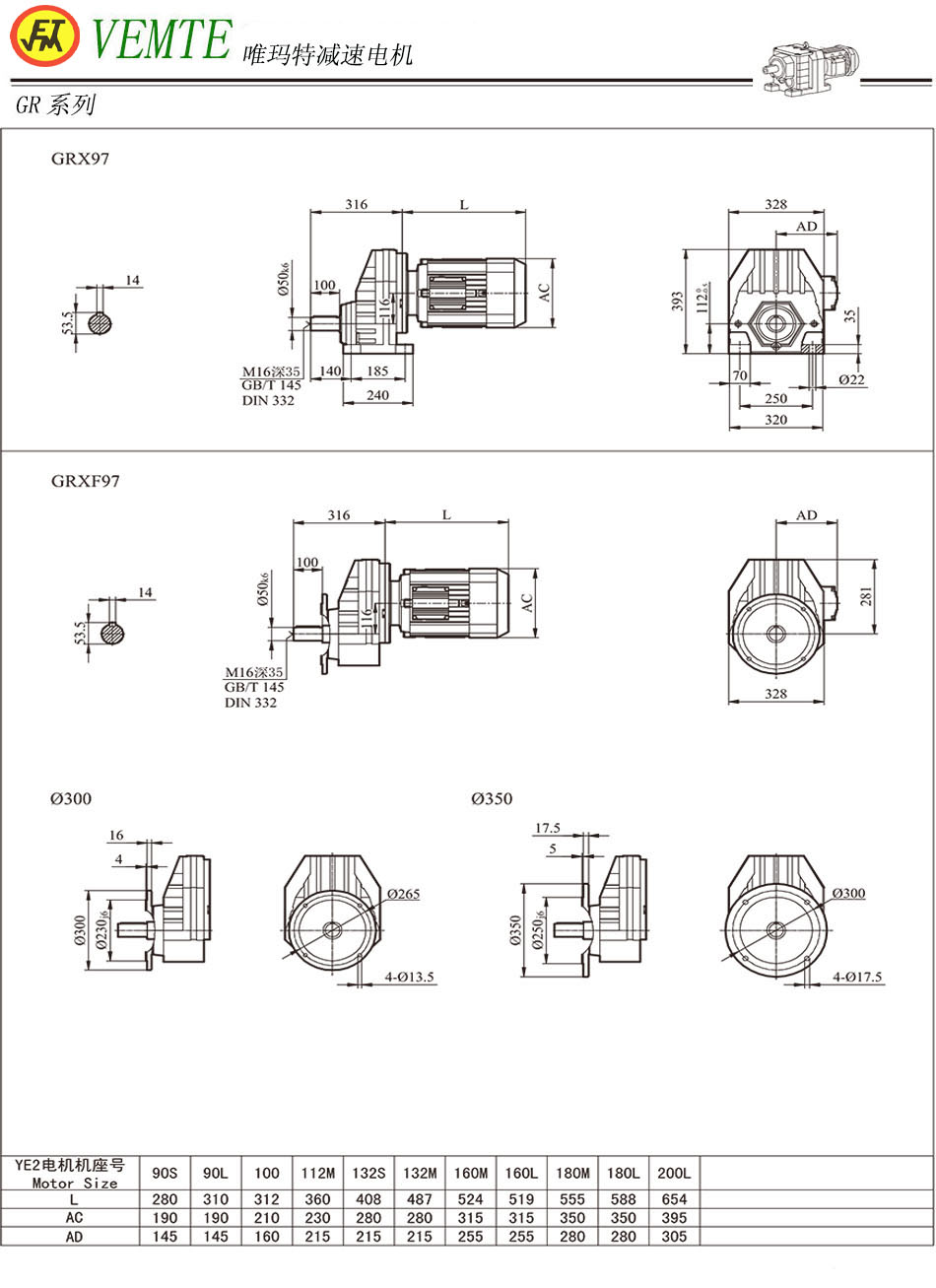
RX97減速機尺寸圖紙:
跟此產品相關的產品 / Related Products
聯系祥如機電

13528634927
微信13528634927