R187 RF187 R187F RM187 RZ187大型齒輪減速電機詳細信息/Detailed Information
R187 RF187 R187F RM187 RZ187大型齒輪減速電機
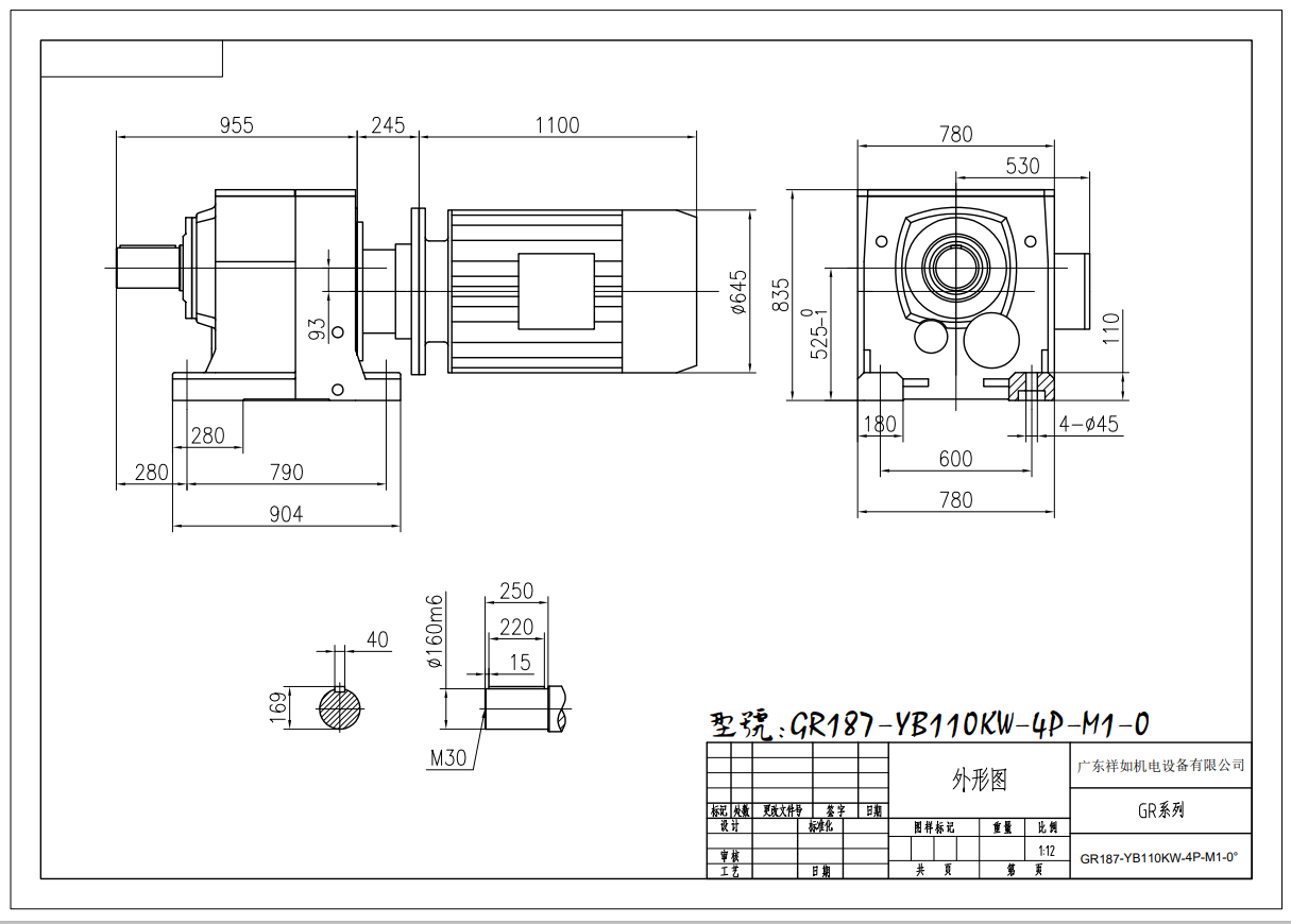
減速機型號:R187 RF187 R187F RM187 RZ187
電機 功率:11KW-132KW
輸入 轉速:500-2800RPM
單機 扭矩:500-22000N·M
單機 速比:5-163.31比
輸出 轉速:10.24-229.71rpm/min
斜齒輪傳動,傳動效率95%
交 期:1-10天
訂購熱線:13528634927
R187是底腳安裝斜齒輪減速機
RX底腳安裝單級斜齒輪安裝斜齒輪減速機
RXF法蘭安裝單級安裝斜齒輪減速機
RF187是法蘭安裝斜齒輪減速機
R187F是底腳法蘭安裝斜齒輪減速機
RZ是B14法蘭安裝斜齒輪減速機

齒輪硬齒面減速機的維護保養方法
齒輪減速機是一種常見的機械設備,它有著重要的作用和廣泛的應用。為了保證齒輪減速機的正常運行和延長其使用壽命,需要進行定期維護保養工作。
首先,需要定期檢查齒輪減速機的潤滑油。潤滑油是齒輪減速機正常運轉的關鍵因素。應該定期檢查并更換潤滑油,以確保它的質量和數量始終符合要求。同時,如果發現潤滑油中存在雜質或過度污濁,應及時清洗和更換潤滑油。
其次,需要定期檢查電機、軸承和齒輪等重要部件的磨損情況。如果發現有磨損,應及時更換或修理。在更換或修理齒輪減速機的重要部件時,必須按照相關規定進行操作,以確保操作安全和設備正常運轉。
此外,注意齒輪減速機的清潔和防腐工作。齒輪伺服減速機在長期使用過程中會沾上塵土和臟污,應經常清洗并擦拭干凈。同時,可以對齒輪減速機的外表面進行防腐處理,以保護設備免受外部環境的影響。
在齒輪減速機的日常維護中,還需注意設備的安全和防護工作。要做好設備的電氣防護和危險區域的標志警示,使人員不受危險因素的侵害,確保人員安全。
綜上所述,齒輪減速機的維護保養工作必須得以重視。只有加強對齒輪減速機的管理和維護,才能確保它正常運轉,提高工作效率,延長使用壽命,為企業創造更大的經濟價值。

減速電機的使用安全系數怎么選?
減速電機的使用安全系數選擇應當取決于減速齒輪箱的類型、載荷特性和使用環境,一般情況下可以選擇1.0~1.2作為使用安全系數。
對于低速精密減速機,可以選擇1.1至1.2之間的安全系數;
對于中低速均負荷減速機,可以選擇1.0至1.2之間的安全系數;
對于中到高速減速機,可以選擇1.0至1.3之間的安全系數;
對于惡劣環境、高溫應用和復雜工況條件,可以選擇1.2至1.5之間的安全系數。

更多的同軸斜齒輪減速器型號請點擊→R系列減速機
購買須知:我司VEMT品牌所有系列產品,標準常用的,倉庫均備有現貨2000臺左右,非常用的需排單定做,請聯系客服咨詢貨期。凡購買我司品牌VEMT系列產品,不分價格高低,兩年內免費維修,免費換新。兩年后免費維修,只收取零件成本費用,包含海外以及港澳臺區域。因各種設備企業對產品的要求標準不同,如果您的設備是出口的,請告知客服轉接我司VEMT工程部,告知您的高標準,我們VEMT工程部會為您量身定做百分百符合要求的產品。
RX底腳安裝單級斜齒輪安裝斜齒輪減速機
RXF法蘭安裝單級安裝斜齒輪減速機
RF187是法蘭安裝斜齒輪減速機
R187F是底腳法蘭安裝斜齒輪減速機
RZ是B14法蘭安裝斜齒輪減速機
齒輪減速機是一種常見的機械減速裝置,通過齒輪傳動實現減速的目的。它由輸入軸、輸出軸和一組齒輪組成,通過不同的齒輪組合,可以實現不同的減速比,從而實現不同的輸出轉速和輸出扭矩。他的原理是輸入軸帶動第一級齒輪旋轉,第一級齒輪帶動第二級齒輪旋轉,以此類推,最終輸出軸帶動輸出裝置旋轉,實現減速的目的。齒輪減速機的減速比是由各級齒輪的齒數比例決定的,一般情況下,減速比越大,輸出扭矩越大,輸出轉速越低。他具有高效、可靠、精度高、結構簡單、使用壽命長等。它廣泛應用于機械制造、自動化生產線、輸送設備、起重設備、風力發電、水力發電等領域。
下面是R187,RF187,R187F系列減速機型號,不同廠家型號表示方式有差異,具體型號可咨詢客服了解
R187-Y11-4P | RF187-YB11-4P | R187F-Y2-11-4P |
R187-Y15-4P | RF187-YB15-4P | R187F-Y2-15-4P |
R187-Y18.5-4P | RF187-YB18.5-4P | R187F-Y2-18.5-4P |
R187-Y22-4P | RF187-YB22-4P | R187F-Y2-22-4P |
R187-YEJ30-4P | RF187-Y30-4P | R187F-Y30-4P |
R187-YEJ37-4P | RF187-Y37-4P | R187F-Y37-4P |
R187-YEJ45-4P | RF187-YYVF45-4P | R187F-YGP45-4P |
R187-YEJ55-4P | RF187-YYVF55-4P | R187F-YGP55-4P |
R187-YEJ75-4P | RF187-YYVF75-4P | R187F-YGP75-4P |
R187-YVP90-4P | RF187-YYVF90-4P | R187F-YGP90-4P |
R187-YVP110-4P | RF187-Y110-4P | R187F-Y110-4P |
R187-YVP132-4P | RF187-Y132-4P | R187F-Y132-4P |

齒輪硬齒面減速機的維護保養方法
齒輪減速機是一種常見的機械設備,它有著重要的作用和廣泛的應用。為了保證齒輪減速機的正常運行和延長其使用壽命,需要進行定期維護保養工作。
首先,需要定期檢查齒輪減速機的潤滑油。潤滑油是齒輪減速機正常運轉的關鍵因素。應該定期檢查并更換潤滑油,以確保它的質量和數量始終符合要求。同時,如果發現潤滑油中存在雜質或過度污濁,應及時清洗和更換潤滑油。
其次,需要定期檢查電機、軸承和齒輪等重要部件的磨損情況。如果發現有磨損,應及時更換或修理。在更換或修理齒輪減速機的重要部件時,必須按照相關規定進行操作,以確保操作安全和設備正常運轉。
此外,注意齒輪減速機的清潔和防腐工作。齒輪伺服減速機在長期使用過程中會沾上塵土和臟污,應經常清洗并擦拭干凈。同時,可以對齒輪減速機的外表面進行防腐處理,以保護設備免受外部環境的影響。
在齒輪減速機的日常維護中,還需注意設備的安全和防護工作。要做好設備的電氣防護和危險區域的標志警示,使人員不受危險因素的侵害,確保人員安全。
綜上所述,齒輪減速機的維護保養工作必須得以重視。只有加強對齒輪減速機的管理和維護,才能確保它正常運轉,提高工作效率,延長使用壽命,為企業創造更大的經濟價值。

減速電機的使用安全系數怎么選?
減速電機的使用安全系數選擇應當取決于減速齒輪箱的類型、載荷特性和使用環境,一般情況下可以選擇1.0~1.2作為使用安全系數。
對于低速精密減速機,可以選擇1.1至1.2之間的安全系數;
對于中低速均負荷減速機,可以選擇1.0至1.2之間的安全系數;
對于中到高速減速機,可以選擇1.0至1.3之間的安全系數;
對于惡劣環境、高溫應用和復雜工況條件,可以選擇1.2至1.5之間的安全系數。

更多的同軸斜齒輪減速器型號請點擊→R系列減速機
購買須知:我司VEMT品牌所有系列產品,標準常用的,倉庫均備有現貨2000臺左右,非常用的需排單定做,請聯系客服咨詢貨期。凡購買我司品牌VEMT系列產品,不分價格高低,兩年內免費維修,免費換新。兩年后免費維修,只收取零件成本費用,包含海外以及港澳臺區域。因各種設備企業對產品的要求標準不同,如果您的設備是出口的,請告知客服轉接我司VEMT工程部,告知您的高標準,我們VEMT工程部會為您量身定做百分百符合要求的產品。
跟此產品相關的產品 / Related Products
祥如機電產品中心
Product Center
聯系祥如機電

13528634927
微信13528634927