KAF167減速機 KVF167 KH167B直角高精度減速機詳細信息/Detailed Information
KAF167減速機 KVF167 KH167B直角高精度減速機
減速機型號:KAF167 KVF167 KH167B KVZ167 KAZ167 KH167 KV167 KHF167 K167TB
電機 功率:11KW-200KW
輸入 轉速:500-2800RPM
單機 扭矩:1000-18000N/M
單機 速比:17.34-164.50比
輸出 轉速:0.6-81rpm/min
傘齒輪傳動,傳動效率95%
交 期:1-10天
訂購熱線:13528634927
KAF是B5法蘭空心軸安裝斜齒-傘齒減速機
KVF是B5法蘭花鍵空心軸斜齒-傘齒減速機
KH..B底腳空心軸鎖緊盤安裝斜齒-傘齒減速機
KAF167,KVF167,KH167B錐齒輪減速機是一種常用的機械傳動裝置,它由錐齒輪和錐齒輪組成,可以將輸入轉速降低到輸出轉速,從而達到減速的目的。錐齒輪減速機具有結構簡單、傳動效率高、噪音低、維護方便等優點,它廣泛應用于各種機械設備和傳動系統,如機床、工業機器人、起重機、混合設備、輸送機和機械手,冶金、化工、輕工等領域。
KAF167,KVF167,KH167B減速器配上三相異步電動機之后的型號如下,不同廠家的型號表示有差異,具體型號可咨詢客服了解。
GKAF167-Y11-4P | GKVF167-YVP11-4P | GKH167B-YEJ11-4P |
GKAF167-Y15-4P | GKVF167-YVP15-4P | GKH167B-YEJ15-4P |
GKAF167-Y18.5-4P | GKVF167-YVP18.5-4P | GKH167B-YEJ18.5-4P |
GKAF167-Y22-4P | GKVF167-YVP22-4P | GKH167B-YEJ22-4P |
GKAF167-Y30-4P | GKVF167-YVP30-4P | GKH167B-YEJ30-4P |
GKAF167-Y37-4P | GKVF167-YVP37-4P | GKH167B-YEJ37-4P |
GKAF167-Y45-4P | GKVF167-YVP45-4P | GKH167B-YEJ45-4P |
GKAF167-Y55-4P | GKVF167-YVP55-4P | GKH167B-YEJ55-4P |
GKAF167-Y75-4P | GKVF167-YVP75-4P | GKH167B-YEJ75-4P |
GKAF167-Y90-4P | GKVF167-YVP90-4P | GKH167B-YEJ90-4P |
GKAF167-Y110-4P | GKVF167-YVP110-4P | GKH167B-YEJ110-4P |
GKAF167-Y132-4P | GKVF167-YVP132-4P | GKH167B-YEJ132-4P |
GKAF167-Y160-4P | GKVF167-YVP160-4P | GKH167B-YEJ160-4P |
GKAF167-Y200-4P | GKVF167-YVP200-4P | GKH167B-YEJ200-4P |

KAF167系列硬齒面減速機能做到的減速比如下:
1比164.5,1比134.99,1比109.83,1比87.86,1比78.14,1比68.07,1比60.74,1比51.77,1比42.89,1比36.61,1比32.25,1比28.77,1比24.52,1比20.32,1比17.34比
采用上述速比與1450轉的4極電機進行匹配的話,此時能形成下面的輸出轉速:
8.5轉/分鐘,10轉/分鐘,13轉/分鐘,16轉/分鐘,18轉/分鐘,21轉/分鐘,23轉/分鐘,27轉/分鐘,33轉/分鐘,38轉/分鐘,43轉/分鐘,49轉/分鐘,57轉/分鐘,69轉/分鐘,81轉/分鐘。
若上述的參數不滿足您的設備的實際的使用需求的話,您可以咨詢選型技術人員
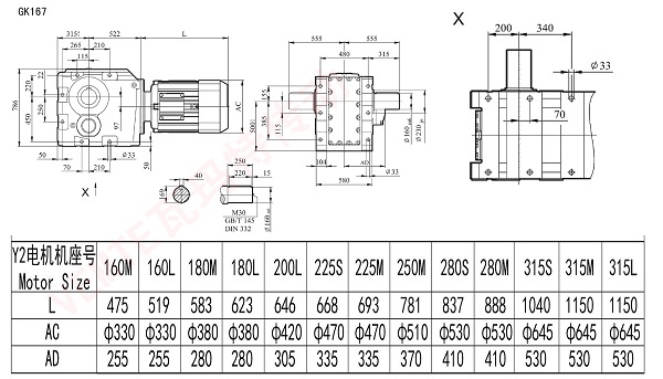
下面是K167減速器選型通用的安裝尺寸,若您需要詳細的圖紙或三維模型請咨詢客服


如何選擇伺服減速機減速比?
要選擇減速機減速比,首先應考慮應用設備的動力需求,如轉速要求,輸出扭矩大小和力矩失靈。其次應考慮減速機功率,功率范圍和耐久性,然后根據存儲條件來確定減速機的尺寸,種類和質量范圍。最后,還要考慮安全范圍的運行要求,以及現場運行環境的各種要求,如噪音、振動、磨損、溫度、煙塵等。然后考慮一下速度的要求,因為減速比等于減速機的輸入速度與輸出速度的比值,此時要根據設備的需求進行計算具體的參數。
減速機的輸出扭矩應該怎么選?
由于減速機的輸出扭矩與功率有關,因此要正確選擇減速機的輸出扭矩,首先要確定設備的功率。一般來說,可以通過驅動系統的基本參數來計算系統的功率。然后,可以使用減速機廠家的功率特性表格,根據要求的輸出轉速和所需功率,確定減速機的輸出扭矩值。

更多的直角減速器K系列型號請點擊→傘齒輪減速機
購買須知:我司VEMT品牌所有系列產品,標準常用的,倉庫均備有現貨2000臺左右,非常用的需排單定做,請聯系客服咨詢貨期。凡購買我司品牌VEMT系列產品,不分價格高低,兩年內免費維修,免費換新。兩年后免費維修,只收取零件成本費用,包含海外以及港澳臺區域。因各種設備企業對產品的要求標準不同,如果您的設備是出口的,請告知客服轉接我司VEMT工程部,告知您的高標準,我們VEMT工程部會為您量身定做百分百符合要求的產品。
祥如機電產品中心
Product Center
聯系祥如機電

13528634927
微信13528634927