K167減速機 傘齒輪減速機 KA167 KH167 KV167 KF167 KAF167 KHF167 KVF167詳細信息/Detailed Information
K167減速機 傘齒輪減速機 KA167 KH167 KV167 KF167 KAF167 KHF167 KVF167
減速機型號:K167 KA167 KH167 KV167 KF167 KAF167 KHF167 KVF167 KAZ167 KHZ167 KVZ167
電機 功率:0.12KW-160KW
輸入 轉速:710-1400RPM
減速機扭矩:3.5-50000N/M
減速機比數:1比-24000比
輸出轉速范圍:0.8-350RPM
K167減速機-傘齒輪傳動:
K系列減速機的傘齒輪傳動效率高,傳動比穩定,圓弧重疊系數大,承載能力高,傳動平穩平順,工作可靠,結構緊湊,節能省料,節省空間,耐磨損,壽命長,噪音小。在各種機械傳動中,以傘齒輪的傳動效率為高,對各類傳動尤其是大功率傘齒輪減速機傳動具有很大的經濟效益;傳遞同等扭矩時需要的傳動件傳動副省空間,比皮帶、鏈傳動所需的空間尺寸小;傘齒輪傳動比永久穩定,傳動比穩定往往是各類機械設備的傳動中對傳動性能的重點要求。
K167減速機-基本版型:
K167底腳安裝傘齒-斜齒減速機
KA167B底腳空心軸安裝傘齒-斜齒減速機
KV167B底腳花鍵空心軸(DIN5480)安裝傘齒-斜齒減速機
KH167B底腳空心軸鎖緊盤安裝傘齒-斜齒減速機
KF167B5法蘭安裝傘齒-斜齒減速機
KAF167B5法蘭空心軸安裝傘齒-斜齒減速機
KVF167B5法蘭花鍵空心軸(DIN5480)安裝傘齒-斜齒減速機
KHF167B5法蘭空心軸鎖緊盤安裝傘齒-斜齒減速機
KA167空心軸安裝傘齒-斜齒減速機
KV167花鍵空心軸(DIN5480)安裝傘齒-斜齒減速機
KH167空心軸鎖緊盤安裝傘齒-斜齒減速機
KT167空心軸扭力臂安裝傘齒-斜齒減速機
KAZ167B14法蘭空心軸安裝傘齒-斜齒減速機
KVZ167B14法蘭花鍵空心軸(DIN5480)安裝傘齒-斜齒減速電機
KHZ167B14法蘭空心軸鎖緊盤安裝傘齒-斜齒減速機
K167減速機-圖片:(此圖由VEMT推廣部人員上傳,請以實物圖為準,可撥打電話0769-85992468獲取實物圖)
K167減速機-輸入版型:
直聯電機輸入
AM(IEC)法蘭輸入
AD軸輸入
K167減速機-性能特點:
垂直輸出、結構緊湊、硬齒面傳遞扭矩大、高精度的齒輪保證了工作平穩、噪音低、壽命長。
安裝方式:底腳安裝、空心軸安裝、法蘭安裝、扭力臂安裝、小法蘭安裝。
輸入方式:電機直聯、電機皮帶聯接或輸入軸、聯接法蘭輸入。
輸出方式:空心軸輸出或實心軸輸出,平均效率為94%。
和R系列組合能得到更大的速比。
K167減速機-技術參數:
速比范圍:基本型5.36~197.37,K/R組合型可達到32625
扭矩范圍:200~50000 Nm
功率范圍:0.18~200 kW
K167減速機-型號:http://www.tp520.com.cn/kxiliejiansuji.html 查看更多傘齒輪減速機型號,點擊鏈接進入
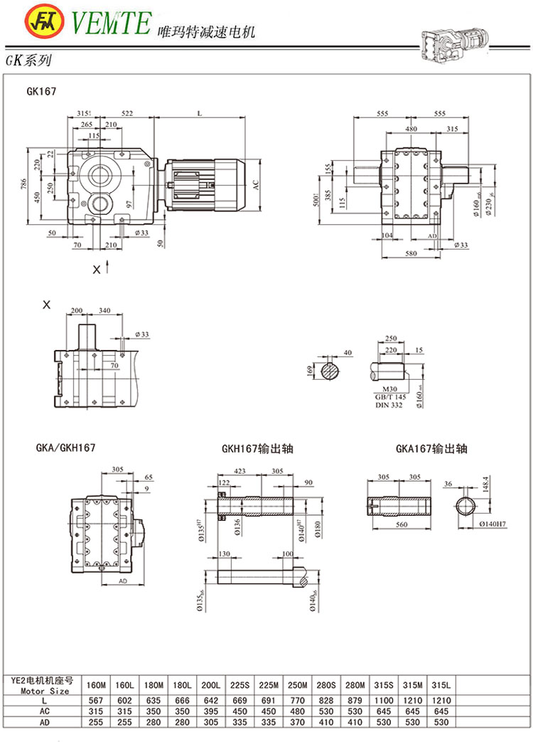
K167減速機-尺寸圖紙:
購買須知:我司VEMT品牌所有系列產品,標準常用的,倉庫均備有現貨2000臺左右,非常用的需排單定做,請聯系客服咨詢貨期。凡購買我司品牌VEMT系列產品,不分價格高低,兩年內免費維修,免費換新。兩年后免費維修,只收取零件成本費用,包含海外以及港澳臺區域。因各種設備企業對產品的要求標準不同,如果您的設備是出口的,請告知客服轉接我司VEMT工程部,告知您的高標準,我們VEMT工程部會為您量身定做百分百符合要求的產品。
聯系祥如機電

13528634927
微信13528634927