當前位置:首頁 » 祥如機電產品中心 » VEMTE減速機系列 » 四大系列減速機 » K系列減速機 » K187減速機 KA187 KH187 KV187 KF187 KAF187 KHF187 KVF187 KAZ187 KHZ
K187減速機 KA187 KH187 KV187 KF187 KAF187 KHF187 KVF187 KAZ187 KHZ詳細信息/Detailed Information
K187減速機 KA187 KH187 KV187 KF187 KAF187 KHF187 KVF187 KAZ187 KHZ
減速機型號:K187 KA187 KH187 KV187 KF187 KAF187 KHF187 KVF187 KAZ187 KHZ187 KVZ187
電機 功率:0.12KW-160KW
輸入 轉速:710-1400RPM
減速機扭矩:3.5-50000N/M
減速機比數:1比-24000比
輸出轉速范圍:0.8-350RPM
訂購熱線:13528634927
關鍵詞:K187減速機_KF187減速器_KAF187減速電機_KH187減速箱_KV187減速機
K187減速機-K系列減速機基本版型:
K187減速機-K系列減速機基本版型:
K187底腳安裝傘齒-斜齒減速機
KA187B底腳空心軸安裝傘齒-斜齒減速機
KV187B底腳花鍵空心軸(DIN5480)安裝傘齒-斜齒減速機
KH187B底腳空心軸鎖緊盤安裝傘齒-斜齒輪減速機
KF187B5法蘭安裝傘齒-斜齒減速機
KAF187B5法蘭空心軸安裝傘齒-斜齒減速機
KVF187B5法蘭花鍵空心軸(DIN5480)安裝傘齒-斜齒減速機
KHF187B5法蘭空心軸鎖緊盤安裝傘齒-斜齒減速機

KA187空心軸安裝傘齒-斜齒減速機
KV187花鍵空心軸(DIN5480)安裝傘齒-斜齒減速機
KH187空心軸鎖緊盤安裝傘齒-斜齒減速機
KT187空心軸扭力臂安裝傘齒-斜齒減速機
KAZ187B14法蘭空心軸安裝傘齒-斜齒減速機
KVZ187B14法蘭花鍵空心軸(DIN5480)安裝傘齒-斜齒減速機
KHZ187B14法蘭空心軸鎖緊盤安裝傘齒-斜齒減速機
K187減速機-圖片:(此圖由VEMT推廣部人員上傳,請以實物圖為準,可撥打電話0769-85992468獲取實物圖)
K187減速機-K系列減速機基本版型:
K187減速機-K系列減速機基本版型:
K187底腳安裝傘齒-斜齒減速機
KA187B底腳空心軸安裝傘齒-斜齒減速機
KV187B底腳花鍵空心軸(DIN5480)安裝傘齒-斜齒減速機
KH187B底腳空心軸鎖緊盤安裝傘齒-斜齒輪減速機
KF187B5法蘭安裝傘齒-斜齒減速機
KAF187B5法蘭空心軸安裝傘齒-斜齒減速機
KVF187B5法蘭花鍵空心軸(DIN5480)安裝傘齒-斜齒減速機
KHF187B5法蘭空心軸鎖緊盤安裝傘齒-斜齒減速機

KA187空心軸安裝傘齒-斜齒減速機
KV187花鍵空心軸(DIN5480)安裝傘齒-斜齒減速機
KH187空心軸鎖緊盤安裝傘齒-斜齒減速機
KT187空心軸扭力臂安裝傘齒-斜齒減速機
KAZ187B14法蘭空心軸安裝傘齒-斜齒減速機
KVZ187B14法蘭花鍵空心軸(DIN5480)安裝傘齒-斜齒減速機
KHZ187B14法蘭空心軸鎖緊盤安裝傘齒-斜齒減速機
K187減速機-圖片:(此圖由VEMT推廣部人員上傳,請以實物圖為準,可撥打電話0769-85992468獲取實物圖)
K187減速機-輸入版型:
直聯電機輸入
AM(IEC)法蘭輸入
AD軸輸入
K187減速機-性能特點:
垂直輸出、結構緊湊、硬齒面傳遞扭矩大、高精度的齒輪保證了工作平穩、噪音低、壽命長。
安裝方式:底腳安裝、空心軸安裝、法蘭安裝、扭力臂安裝、小法蘭安裝。
輸入方式:電機直聯、電機皮帶聯接或輸入軸、聯接法蘭輸入。
輸出方式:空心軸輸出或實心軸輸出,平均效率為94%。
K系列減速機和R系列組合能得到更大的速比。
K187減速機-技術參數:
速比范圍:基本型5.36~197.37,K/R組合型可達到32625
扭矩范圍:200~50000 Nm
功率范圍:0.18~200 kW
K187減速機-型號:http://www.tp520.com.cn/kxiliejiansuji.html 鼠標點擊鏈接查看更多型號
型號推薦:K37減速機、K167減速機
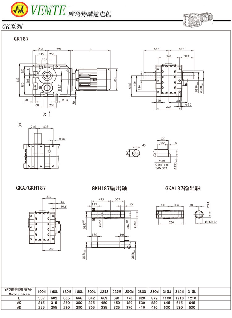
K187減速機-尺寸圖紙:
購買須知:我司VEMT品牌所有系列產品,標準常用的,倉庫均備有現貨2000臺左右,非常用的需排單定做,請聯系客服咨詢貨期。凡購買我司品牌VEMT系列產品,不分價格高低,兩年內免費維修,免費換新。兩年后免費維修,只收取零件成本費用,包含海外以及港澳臺區域。因各種設備企業對產品的要求標準不同,如果您的設備是出口的,請告知客服轉接我司VEMT工程部,告知您的高標準,我們VEMT工程部會為您量身定做百分百符合要求的產品。
祥如機電產品中心
Product Center
聯系祥如機電

13528634927
微信13528634927