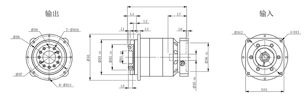
PAL系列斜齒輪行星減速電機選型手冊樣本下載,PAL行星減速電機型號有PAL70、PAL90、PAL120、PAL155行星減速器。PAL行星減速器是一種廣泛應用于自動化、機器人、精密機械等領域的減速裝置。選型合適的行星減速器對于提高設備性能、延長使用壽命具有重要意義。以下是對PAL行星減速器選型的簡要分析,供大家參考。
一、了解PAL行星減速器的特點
高精度:PAL行星減速器采用精密加工工藝,具有較低的背隙,確保輸出精度。
高傳動效率:行星減速器采用行星齒輪傳動,傳動效率高達90%以上。
高承載能力:PAL行星減速器采用優質合金鋼材料,具有較高的抗彎、抗扭強度。
結構緊湊:體積小、重量輕,便于安裝和維護。
噪音低、壽命長:采用精密齒輪和油脂潤滑,降低了運行噪音,延長了使用壽命。
二、PAL行星減速器選型要點
確定減速比:根據設備實際需求,選擇合適的減速比。PAL行星減速器提供多種減速比供用戶選擇。
計算輸出扭矩:根據負載和工作條件,計算所需輸出扭矩,確保行星減速器能夠滿足使用要求。
選擇安裝方式:PAL行星減速器有法蘭安裝、軸安裝等多種安裝方式,根據設備結構選擇合適的安裝方式。
考慮潤滑方式:PAL行星減速器可采用油脂潤滑或油池潤滑,根據實際工況選擇合適的潤滑方式。
注意環境溫度:確保行星減速器在工作環境溫度范圍內正常運行。
評估使用壽命:根據設備使用頻率和工況,評估行星減速器的使用壽命,確保選型合理。
總之,選型PAL行星減速器時,要充分考慮設備實際需求、工作條件等因素,確保選型合理、性能穩定。通過以上分析,相信大家對PAL行星減速器的選型有了更深入的了解,為設備的高效運行提供有力保障。如需更多信息和樣本資料,您可以聯系右邊的客服下載樣本。

一、了解PAL行星減速器的特點
高精度:PAL行星減速器采用精密加工工藝,具有較低的背隙,確保輸出精度。
高傳動效率:行星減速器采用行星齒輪傳動,傳動效率高達90%以上。
高承載能力:PAL行星減速器采用優質合金鋼材料,具有較高的抗彎、抗扭強度。
結構緊湊:體積小、重量輕,便于安裝和維護。
噪音低、壽命長:采用精密齒輪和油脂潤滑,降低了運行噪音,延長了使用壽命。
二、PAL行星減速器選型要點
確定減速比:根據設備實際需求,選擇合適的減速比。PAL行星減速器提供多種減速比供用戶選擇。
計算輸出扭矩:根據負載和工作條件,計算所需輸出扭矩,確保行星減速器能夠滿足使用要求。
選擇安裝方式:PAL行星減速器有法蘭安裝、軸安裝等多種安裝方式,根據設備結構選擇合適的安裝方式。
考慮潤滑方式:PAL行星減速器可采用油脂潤滑或油池潤滑,根據實際工況選擇合適的潤滑方式。
注意環境溫度:確保行星減速器在工作環境溫度范圍內正常運行。
評估使用壽命:根據設備使用頻率和工況,評估行星減速器的使用壽命,確保選型合理。
總之,選型PAL行星減速器時,要充分考慮設備實際需求、工作條件等因素,確保選型合理、性能穩定。通過以上分析,相信大家對PAL行星減速器的選型有了更深入的了解,為設備的高效運行提供有力保障。如需更多信息和樣本資料,您可以聯系右邊的客服下載樣本。
