RF67減速機 減速器RF67AD RZ67詳細信息/Detailed Information
RF67減速機 減速器RF67AD RZ67
減速機型號:R67 RF67 R67F RM67 RZ67 RX67 RXF67
電機 功率:0.12KW-7.5KW
輸入 轉速:500-2800RPM
單機 扭矩:5-600N·M
單機 速比:1.4-199.81比
輸出 轉速:0.6-1000rpm/min
斜齒輪傳動,傳動效率95%
交 期:1-10天
訂購熱線:13528634927
RF67是法蘭安裝斜齒輪減速機
RF67AD是AD軸輸入法蘭安裝的斜齒輪減速機
RZ67是B14法蘭安裝斜齒輪減速機
RF67,RF67AD,RZ67系列齒輪減速機是機械傳動中很常見的一種減速裝置,其廣泛應用于工業生產、交通運輸、軍事領域、航空航天等諸多領域。齒輪減速機采用不同齒輪的組合傳遞動力,使驅動軸高速旋轉的動力通過齒輪減速機的減速作用,傳遞到被驅動軸上,從而達到減速的目的。齒輪減速機的主要特點是傳動效率高、精度高、負載能力大、運轉穩定、使用壽命長等,因此在工業領域被廣泛使用。
下面是RF67,RF67AD,RZ67減速器配上電機之后的型號,不同廠家型號表示方式有差異,具體減速機型號可聯系客服了解
RF67-Y0.12-4P | RZ67YS63M4 | RF67AM63M4 |
RF67-Y0.18-4P | RZ67YS71M4 | RF67AM71M4 |
RF67-Y0.25-4P | RZ67YS80M4 | RF67AM80M4 |
RF67AD63M4 | RF67-YEJ0.37-4P | RZ67YS90S4 |
RF67AD71M4 | RF67-YEJ0.55-4P | RZ67YB90L4 |
RF67AD80M4 | RF67AD90S4 | RF67-YEJ0.75-4P |
RF67AM90S4 | RF67AD90L4 | RF67-YEJ1.1-4P |
RF67AM90L4 | RF67AM112M4 | RZ67YB100L |
RF67AM100L | RF67AM132S | RZ67YB112M4 |
RF67-YEJ1.5-4P | RF67-YEJ5.5-4P | RF67AM132M |
RF67-YEJ2.2-4P | RF67AD100L | RF67AD132S |
RZ67YB132S | RF67AD112M4 | RF67AD132M |
RZ67YM132M | RF67-YEJ4-4P | RF67-Y7.5-4P |

單機的RF67系列減速齒輪箱能做到的減速比有:
1比4.29,1比4.93,1比5.70,1比6.27,1比7.36,1比7.97,1比8.7,1比10,1比11.54,1比12.70,1比14.91,1比15.79,1比17.95,1比19.89,1比23.44,1比26.72,1比28.13,1比28.83,1比32.27,1比37.50,1比39.88,1比46.29,1比51.56,1比56.89,1比61.26,1比69.75,1比74.17,1比86.11,1比95.91,1比105.83,1比113.94,1比128.97,1比137.67,1比158.14,1比184.07,1比199.81
如果上述的減速比不滿足您的設備的使用需求的話,您可以選擇組合的大速比形式,或者咨詢VEMTE選型技術人員給您選型
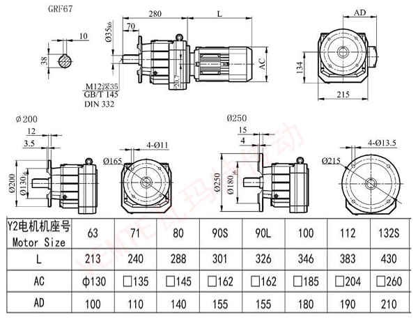
下面是RF67減速電機通用的安裝尺寸圖,若您需要非標圖紙或三維模型請聯系客服


在電機配上減速機之后會形成一個組合,此時的整體有個安裝方位,而整體的安裝方位有6種,M1-M6各種安裝形式定義為:
M1—電機水平放置;減速機底腳朝下。
M2—電機居下。
M3—電機水平放置;減速機底腳朝上。
M4—電機居上。
M5—電機水平放置;當減速機在M1安裝位置時,從電機方向看,減速機的左面旋轉到下方位置。
M6—電機水平放置;當減速機在M1安裝位置時,從電機方向看,減速機的左面旋轉到上方位置。

更多的同軸斜齒輪減速器型號請點擊→R系列減速機
購買須知:我司VEMT品牌所有系列產品,標準常用的,倉庫均備有現貨2000臺左右,非常用的需排單定做,請聯系客服咨詢貨期。凡購買我司品牌VEMT系列產品,不分價格高低,兩年內免費維修,免費換新。兩年后免費維修,只收取零件成本費用,包含海外以及港澳臺區域。因各種設備企業對產品的要求標準不同,如果您的設備是出口的,請告知客服轉接我司VEMT工程部,告知您的高標準,我們VEMT工程部會為您量身定做百分百符合要求的產品。
跟此產品相關的產品 / Related Products
祥如機電產品中心
Product Center
聯系祥如機電

13528634927
微信13528634927