GR直角中空減速機 微型減速機詳細信息/Detailed Information
GR直角中空減速機 微型減速機
減速機型號:GR直角中空
電機 功率: 6W-22KW
減速機扭矩:3.5-5000N/M
減速機比數:2.5:1-1800:1
應用 范圍:包裝設備,電鍍設備,陶瓷設備,木工機械,印刷設備,塑料機械,液壓設備,清洗設備等等
關鍵詞:10W小型減速機,20W直角中空減速機,30WGR減速機,60W減速機,120W減速機,160W減速機
直角中空減速機-特點:
微型齒輪直角減速機運轉平穩,且具有低噪聲、高精度、高效率的優點。適用于精密的輸送、提升、印刷、包裝、醫療、食品、電子等自動和半自動設備中作傳動之用。也非常適合作為影視設備、舞臺燈光、健身器械等設施中的配套裝置。
直角中空減速機-通用技術條件:
緣電阻值常態下≥200
緣強度1500V/1min無擊穿或閃絡現象
溫升極限值75K
電機用導線CQC認證、105°C、600V
直角中空減速機-基本工況:
工作制連續(SI)
冷卻方式IC40
直角中空減速機-基本環境條件:
溫度﹣40~﹢40°C
相對濕度15%~90%
直角中空減速機-圖片:(此圖由VEMT推廣部人員上傳,請以實物圖為準,可撥打電話0769-85992468獲取實物圖)
直角中空減速機-注意事項:
1.在齒輪出軸上安裝連抽器、皮帶輪等傳動機構時,不可直接在出軸上以工具敲擊安裝,否則會造成減速器內部的損傷;
2.直角中空減速機與其他機器連接時,請先確認好旋轉方向。弄錯方向的話,會致傷,損壞裝置;
3.請不要在接線盒蓋打開的狀態下運轉電機;
4.不要讓制動器附著上水或油脂類,否則有可能因制動器故障造成失控落下事故的危險。
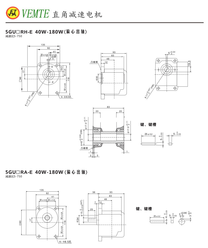
直角中空減速機-安裝尺寸圖紙:
購買須知:我司VEMT品牌所有系列產品,標準常用的,倉庫均備有現貨2000臺左右,非常用的需排單定做,請聯系客服咨詢貨期。凡購買我司品牌VEMT系列產品,不分價格高低,兩年內免費維修,免費換新。兩年后免費維修,只收取零件成本費用,包含海外以及港澳臺區域。因各種設備企業對產品的要求標準不同,如果您的設備是出口的,請告知客服轉接我司VEMT工程部,告知您的高標準,我們VEMT工程部會為您量身定做百分百符合要求的產品。
跟此產品相關的產品 / Related Products
聯系祥如機電

13528634927
微信13528634927