TKM68減速機 VEMT雙曲面齒輪減速機詳細信息/Detailed Information
TKM68減速機 VEMT雙曲面齒輪減速機
減速機型號:TKM68
電機 功率: 0.18KW-15KW
減速機扭矩:3.5-50000N/M
減速機比數:單2-230 雙230-24000
應用 范圍:包裝設備,電鍍設備,陶瓷設備,印刷設備,塑料機械,液壓設備,清洗設備等等
關鍵詞:tkm68減速機_TKM68斜齒輪雙曲面減速機_KPM110減速機
TKM68減速機-特點:
1.采用準雙曲面齒輪傳動,傳動比大;
2.輸出扭矩大,傳動效率高,節能環保;
3.優質鋁合金鑄造,重量輕,不生銹;
4.傳動平穩,噪音小,適合再惡劣環境中長期連續工作;
5.美觀耐用,體積小;
6.可適應全方位安裝,應用廣泛,使用方便;
7.TKM減速機安裝尺寸與TNRV系列蝸輪蝸桿減速器完全兼容(TKM28與TNRV050部分尺寸不同);
8.TKB系列減速器安裝尺寸與W系列蝸輪蝸桿減速器完全兼容;
9.模塊化組合,可多種形式組合,滿足各種傳動條件的需求。
TKM68減速機圖片:(此圖由VEMT推廣部人員上傳,請以實物圖為準,可撥打電話0769-85992468獲取實物圖)
TKM68減速機-主要材料:
1.外殼:鋁合金(機座:28-58);
2.齒輪:20CrMnTiH1,滲碳淬火,齒面硬度56-62HRC,精磨后保持滲碳層厚度0.3-0.5mm。
TKM68減速機-表面涂裝(鋁合金外殼)
1.先拋丸處理,再經特種防腐處理,保持銀白金屬感,并耐汽油,二甲醛等有機溶劑的腐蝕;
2.磷化處理后,再噴RAL9022銀灰色涂料。
TKM68減速機-安裝注意事項
1.TKM減速機與機械設備裝配之前,要檢查減速器輸出軸的旋轉方向是否正確;
2.減速器與原動機、設備裝配之前,應檢查各軸徑、孔徑、鍵和鍵槽的偏差尺寸,避免裝配過緊、過松影響減速器性能;
3.減速器必須牢固地安裝在機械設備上,避免有有松動或振動;
4.盡可能地避免減速器暴露在烈日陽光下和惡劣環境中;
5.如果減速器存放時間長達4-6個月,應檢查油封是否浸潤在潤滑油中,可能油封唇口會粘在軸上,甚至失去了彈性,由于適當的彈性是油封必須的工作條件,所以推薦更換油封;
6.所有橡膠件和透氣孔不能沾有油漆;
7.與減速器的空心軸或實心軸配合連接時,應在軸上配合部分涂上潤滑油,以免卡死或氧化;
8.使用時必須檢測油位(如油位鏡孔或打開油塞,小型號是沒有的);
9.使用新減速器時,不能滿負載起動,應該逐步增大負載;
10.使用各類電機直聯型減速器時,若電機重量偏大,應設支撐裝置;
11.確保電機風扇附件有良好的通風環境,以免影響散熱效果;
12.減速器的標準工作環境溫度是-5°C至40°C,如果不在這范圍時,請與我們技術服務人員聯系。
TKM68減速機-維護
1.對于齒輪箱,次換油必須在工作大約300小時(齒輪磨合期)后進行,在換油時應使用合適的清潔劑小心地沖洗齒輪箱,不得將礦物油和合成油混合;
2.每3000工作小時,低程度半年,應檢測油以及油位,油封密封不嚴引起滴漏的常規檢測,若是IEC輸入的減速器,則檢測簡稱彈性體,必要時進行更換;
3.根據不同的工作條件而定,長每三年檢測次,更換礦物有,更換軸承潤滑油脂;
4.根據不同的工作條件而定,更換輸出軸上的油封;
5.產品出現故障時,不要拆卸部件,與本公司售后服務部門聯系(需提供減速器規格,出廠日期,編號,已使用時間,主機名稱,主機生產單位和故障類型)后,再采取合理的措施。
TKM68減速機-存放
1.TKM減速機應存放在有棚,防雨雪,無振動的地方;
2.在減速機和地面之間墊放模板或其他材料;
3.開箱后暫不使用的減速機在其加工表面涂上防銹油,并應及時放回包裝箱內;
4.在定期檢查的情況下,可存放兩年以及更長時間。在進行檢查時,應檢查清潔度和機械損傷,檢查防銹層是否完好。
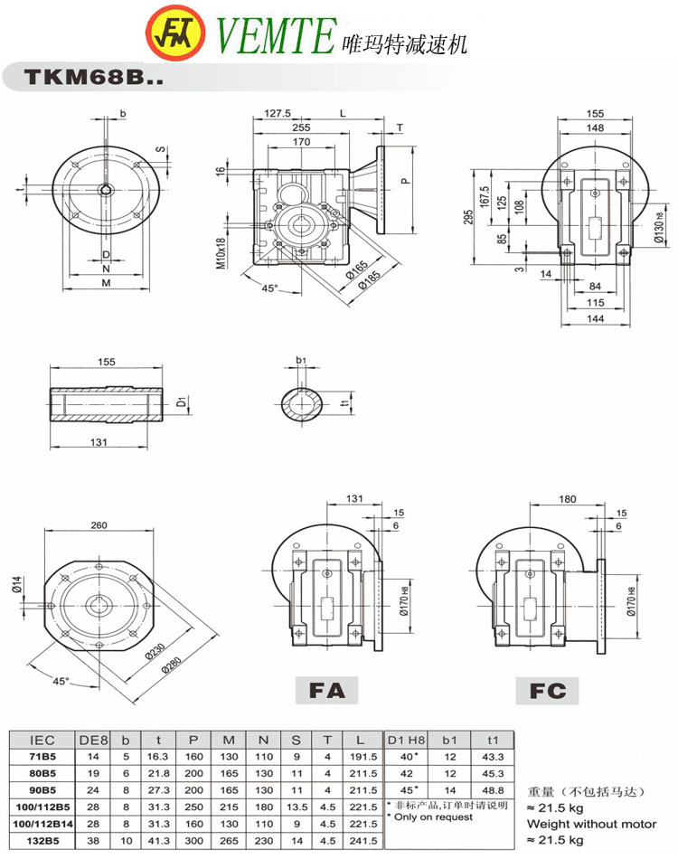
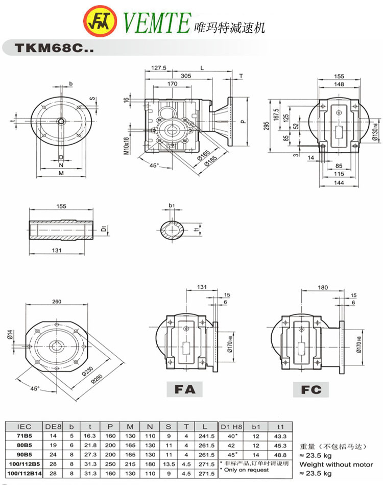
TKM68減速機-參數
購買須知:我司VEMT品牌所有系列產品,標準常用的,倉庫均備有現貨2000臺左右,非常用的需排單定做,請聯系客服咨詢貨期。凡購買我司品牌VEMT系列產品,不分價格高低,兩年內免費維修,免費換新。兩年后免費維修,只收取零件成本費用,包含海外以及港澳臺區域。因各種設備企業對產品的要求標準不同,如果您的設備是出口的,請告知客服轉接我司VEMT工程部,告知您的高標準,我們VEMT工程部會為您量身定做百分百符合要求的產品。
跟此產品相關的產品 / Related Products
聯系祥如機電

13528634927
微信13528634927