S97 S97AD S97AM S系列齒輪減速機詳細信息/Detailed Information
S97 S97AD S97AM S系列齒輪減速機
減速機型號:S97 SA97 SAF97 SF97 SAZ97 SH97 SHF97 SHZ97
電機 功率:1.5KW-22KW
輸入 轉速:500-3000轉
單機 扭矩:200-4000N·M
單機 速比:8.26-286.40比
輸出 轉速:4.9-169轉/分鐘
斜齒輪蝸輪蝸桿傳動,傳動效率85%
交 期:1-10天
訂購熱線:13528634927
S97是底腳安裝斜齒輪-蝸輪蝸桿減速機
S97AM是AM法蘭輸入安裝斜齒輪-蝸輪蝸桿減速機
S97AD是AD軸輸入安裝斜齒輪-蝸輪蝸桿減速機
S97,S97AD,S97AM系列蝸輪蝸桿減速機是一種常見的減速機構,由蝸輪和蝸桿組成。它的作用是將高速旋轉的動力傳動裝置的轉速降低,增加扭矩輸出,以滿足機械設備的需要。蝸輪蝸桿減速機的特點是結構簡單、運行平穩、傳動效率高、減速比大、扭矩輸出穩定等,因此在各種機械傳動裝置中得到廣泛應用。同時它的使用壽命長、可靠性高,維護保養簡單,操作方便。因此,在各種機械傳動裝置中得到廣泛應用,例如冶金、水泥、化工、建筑、食品、包裝、紡織、印刷、醫藥等行業。
S97,S97AD,S97AM系列減速電機型號如下,不同廠家型號表示之間有差異,具體型號可咨詢客服了解

S97減速機能做到的減速比有:
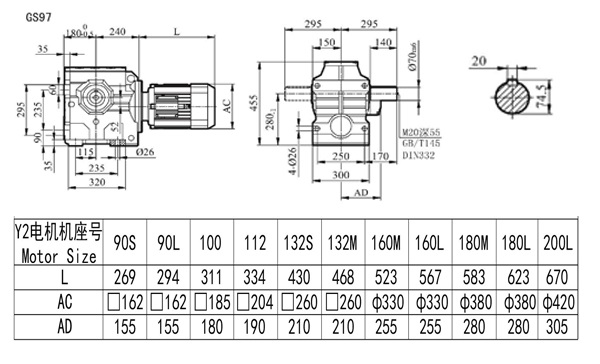
下面是S97蝸輪硬齒面減速機通用的安裝尺寸,如果您需要非標圖紙或三維模型,請咨詢客服

這款S97減速機可以與直流電機、交流電機、步進電機、伺服電機、永磁同步電機、異步電機、永磁異步電機、永磁直線電機、永磁無刷電機等配合使用。此外還可以給三相異步電機加裝其他的配置,例如:
/BMG 制動器
/HF 手動釋放(鎖在制動釋放位置)
/HR 手動釋放(自動返回制動位置)
/RS 逆止器
/TF 熱敏電阻保護裝置(PTC熱敏電阻)
/TH 恒溫器保護裝置(雙金屬片開關)
/U 機身冷卻(無通風)
/V 強制冷風扇三相,50Hz
/VS 強制冷風扇單相,50Hz
/VR 強制冷風扇1×24V
/Z 高慣量飛輪風扇
/C 風扇保護罩
-SRD 輥道電機
當電機與減速器結合之后,電機接線盒從電機風扇罩看(如圖),位置分別表示為0°,90°,180°或270°

更多的自鎖蝸輪蝸桿減速機型號請點擊→S系列減速機
購買須知:我司VEMT品牌所有系列產品,標準常用的,倉庫均備有現貨2000臺左右,非常用的需排單定做,請聯系客服咨詢貨期。凡購買我司品牌VEMT系列產品,不分價格高低,兩年內免費維修,免費換新。兩年后免費維修,只收取零件成本費用,包含海外以及港澳臺區域。因各種設備企業對產品的要求標準不同,如果您的設備是出口的,請告知客服轉接我司VEMT工程部,告知您的高標準,我們VEMT工程部會為您量身定做百分百符合要求的產品。
S97AM是AM法蘭輸入安裝斜齒輪-蝸輪蝸桿減速機
S97AD是AD軸輸入安裝斜齒輪-蝸輪蝸桿減速機
S97,S97AD,S97AM系列蝸輪蝸桿減速機是一種常見的減速機構,由蝸輪和蝸桿組成。它的作用是將高速旋轉的動力傳動裝置的轉速降低,增加扭矩輸出,以滿足機械設備的需要。蝸輪蝸桿減速機的特點是結構簡單、運行平穩、傳動效率高、減速比大、扭矩輸出穩定等,因此在各種機械傳動裝置中得到廣泛應用。同時它的使用壽命長、可靠性高,維護保養簡單,操作方便。因此,在各種機械傳動裝置中得到廣泛應用,例如冶金、水泥、化工、建筑、食品、包裝、紡織、印刷、醫藥等行業。
S97,S97AD,S97AM系列減速電機型號如下,不同廠家型號表示之間有差異,具體型號可咨詢客服了解
S97-YB1.5-4P | S97AM112M4 | S97AD112M4 |
S97-YB2.2-4P | S97AM132S4 | S97AD132S4 |
S97-YB3-4P | S97AM132M4 | S97AD132M4 |
S97-YVP4-4P | S97AM160M4 | S97AD160M4 |
S97-YVP5.5-4P | S97AM160L4 | S97AD160L4 |
S97-YVP7.5-4P | S97AM180M4 | S97AD180M4 |
S97-YEJ11-4P | S97AM180L4 | S97AD180L4 |
S97-YEJ15-4P | S97-YEJ18.5-4P | S97-Y22-4P |

S97減速機能做到的減速比有:
1:286.4,1:262.22,1:231.67,1:196.52,1:180.95,1:161.74,1:145.6,1:131.85,1:116.92,1:105.71,1:89.6,
1:80.85,1:78.26,1:71.43,1:65.45,1:60.59,1:55.79,1:49.87,1:44.89,1:40.65,1:36.05,1:32.6,1:27.63,1:26.39,
1:24.13,1:23.59,1:21.23,1:19.23,1:17.05,1:15.42,1:13.07,1:11.41,1:9.55,1:8.26減速機
采用四極三相異步電機配上上述的減速比,能形成的輸出轉速有:4.9rpm/min,5.3rpm/min,6rpm/min,7.1rpm/min,7.7rpm/min,8.7rpm/min,9.6rpm/min,11rpm/min,12rpm/min,
13rpm/min,16rpm/min,17rpm/min,18rpm/min,20rpm/min,21rpm/min,23rpm/min,25rpm/min,28rpm/min,
31rpm/min,34rpm/min,39rpm/min,43rpm/min,51rpm/min,53rpm/min,58rpm/min,59rpm/min,66rpm/min,
73rpm/min,82rpm/min,91rpm/min,107rpm/min,123rpm/min,147rpm/min,169rpm/min減速機
如果上述的參數要求不滿足您的設備的實際使用情況的話,您可以咨詢一下VEMTE選型技術人員給您選型下面是S97蝸輪硬齒面減速機通用的安裝尺寸,如果您需要非標圖紙或三維模型,請咨詢客服

這款S97減速機可以與直流電機、交流電機、步進電機、伺服電機、永磁同步電機、異步電機、永磁異步電機、永磁直線電機、永磁無刷電機等配合使用。此外還可以給三相異步電機加裝其他的配置,例如:
/BMG 制動器
/HF 手動釋放(鎖在制動釋放位置)
/HR 手動釋放(自動返回制動位置)
/RS 逆止器
/TF 熱敏電阻保護裝置(PTC熱敏電阻)
/TH 恒溫器保護裝置(雙金屬片開關)
/U 機身冷卻(無通風)
/V 強制冷風扇三相,50Hz
/VS 強制冷風扇單相,50Hz
/VR 強制冷風扇1×24V
/Z 高慣量飛輪風扇
/C 風扇保護罩
-SRD 輥道電機
當電機與減速器結合之后,電機接線盒從電機風扇罩看(如圖),位置分別表示為0°,90°,180°或270°

更多的自鎖蝸輪蝸桿減速機型號請點擊→S系列減速機
購買須知:我司VEMT品牌所有系列產品,標準常用的,倉庫均備有現貨2000臺左右,非常用的需排單定做,請聯系客服咨詢貨期。凡購買我司品牌VEMT系列產品,不分價格高低,兩年內免費維修,免費換新。兩年后免費維修,只收取零件成本費用,包含海外以及港澳臺區域。因各種設備企業對產品的要求標準不同,如果您的設備是出口的,請告知客服轉接我司VEMT工程部,告知您的高標準,我們VEMT工程部會為您量身定做百分百符合要求的產品。
跟此產品相關的產品 / Related Products
祥如機電產品中心
Product Center
聯系祥如機電

13528634927
微信13528634927