減速機FA67 FAZ67 FHZ67 FVZ67 FA系列減速箱詳細信息/Detailed Information
減速機FA67 FAZ67 FHZ67 FVZ67 FA系列減速箱
減速機型號:F67 FA67 FV67 FAF67 FVF67 FAZ67 FVZ67 FF67 FH67 FHF67 FHZ67
電機 功率:0.12KW-5.5KW
輸入 轉速:500-3000轉
單機 扭矩:20-820N·M
單機 速比:3.97-228.99比
輸出 轉速:6.1-353轉/分鐘
硬齒面斜齒輪傳動,傳動效率95%
交 期:1-10天
訂購熱線:13528634927
FA67是空心軸安裝平行軸-斜齒輪減速機
FAZ67是B14法蘭空心軸安裝平行軸-斜齒輪減速機
FHZ67是B14法蘭空心軸鎖緊盤安裝平行軸-斜齒輪減速機
FVZ67是B14法蘭花鍵空心軸安裝平行軸-斜齒輪減速機
FA67,FAZ67,FHZ67,FVZ67平行軸斜齒輪減速電機的結構形式為平行軸斜齒輪傳動,電機軸線和減速器軸線平行。它由電機、減速器、聯軸器和輸出軸組成。主要適用于工業生產中需要減速的場合,例如輸送機、機床、印刷機、食品機械、包裝機械、化工設備等。同時具有噪音低、效率高、可靠性高、輸出扭矩大、體積小、重量輕、安裝方便等特點。
FA67,FAZ67,FHZ67,FVZ67系列減速電機型號如下,不同廠家型號表示方式之間有差異,具體型號可咨詢客服了解

FA67系列硬齒面減速機能做到的減速比有:
1比229,1比195,1比170,1比162,1比142,1比120,1比109,1比95,1比90,1比79,1比67,1比61,1比53,1比50,1比43,1比39,1比34,1比36,1比32,1比27,1比25,1比22,1比20,1比18,1比16,1比14,1比12,1比11,1比9,1比8,1比7,1比6,1比5,1比4,1比3減速機
當采用三相異步電機配上上述的減速比,能做到的輸出轉速有:
6轉/分鐘,7轉/分鐘,8轉/分鐘,9轉/分鐘,12轉/分鐘,13轉/分鐘,15轉/分鐘,18轉/分鐘,21轉/分鐘,23轉/分鐘,26轉/分鐘,28轉/分鐘,32轉/分鐘,36轉/分鐘,41轉/分鐘,39轉/分鐘,44轉/分鐘,51轉/分鐘,56轉/分鐘,63轉/分鐘,67轉/分鐘,77轉/分鐘,85轉/分鐘,97轉/分鐘,110轉/分鐘,124轉/分鐘,145轉/分鐘,154轉/分鐘,163轉/分鐘,186轉/分鐘,206轉/分鐘,235轉/分鐘,267轉/分鐘,300轉/分鐘,353轉/分鐘減速機。
如果上述的參數要求不滿足您的設備的實際使用需求的話,您可以咨詢一下VEMTE減速器選型技術人員給您選型
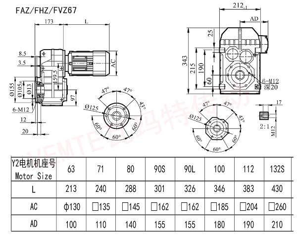
下面是FAZ67,FHZ67,FVZ67減速器通用的安裝尺寸圖,若您需要非標圖紙或三維模型,請聯系客服

長時間使用的減速機,應該怎么進行更換潤滑油處理?
減速機的換油操作是維護減速機正常運轉的重要步驟。下面是減速機換油的具體步驟:
停機降溫:在進行換油操作之前,需要將伺服減速機停機降溫,確保其內部溫度降至正常范圍。
廢油排放:將減速機內部的廢油排放干凈,可以打開油底殼上的放油螺塞,將內部的潤滑油排出。
油底殼清洗:清洗減速機油底殼內的沉積物和雜質,保證油底殼內的清潔。
換油:打開油底殼和油窗,將舊油放出,然后倒入新的油,直到油窗處的油位達到標準要求。
換濾網:將減速機內部的濾網取出清洗或更換,以保證油路暢通。
封閉油底殼:將油底殼上的放水螺塞和油底殼蓋密封好,確保油路不泄漏。
測試運行:在換油完成后,需要進行測試運行,確保減速機運行正常。
需要注意的是,換油周期應該根據減速機的工作情況和使用頻率而定,通常建議每6個月到1年進行一次換油操作。同時,在進行換油操作時,需要佩戴個人防護裝備,確保人身安全。

更多的平行軸斜齒輪減速機型號請點擊→F系列減速機
購買須知:我司VEMT品牌所有系列產品,標準常用的,倉庫均備有現貨2000臺左右,非常用的需排單定做,請聯系客服咨詢貨期。凡購買我司品牌VEMT系列產品,不分價格高低,保修期內非人為原因免費維修,免費換新。兩年后免費維修,只收取零件成本費用,包含海外以及港澳臺區域。因各種設備企業對產品的要求標準不同,如果您的設備是出口的,請告知客服轉接我司VEMT工程部,告知您的高標準,我們VEMT工程部會為您量身定做百分百符合要求的產品。
FAZ67是B14法蘭空心軸安裝平行軸-斜齒輪減速機
FHZ67是B14法蘭空心軸鎖緊盤安裝平行軸-斜齒輪減速機
FVZ67是B14法蘭花鍵空心軸安裝平行軸-斜齒輪減速機
FA67,FAZ67,FHZ67,FVZ67平行軸斜齒輪減速電機的結構形式為平行軸斜齒輪傳動,電機軸線和減速器軸線平行。它由電機、減速器、聯軸器和輸出軸組成。主要適用于工業生產中需要減速的場合,例如輸送機、機床、印刷機、食品機械、包裝機械、化工設備等。同時具有噪音低、效率高、可靠性高、輸出扭矩大、體積小、重量輕、安裝方便等特點。
FA67,FAZ67,FHZ67,FVZ67系列減速電機型號如下,不同廠家型號表示方式之間有差異,具體型號可咨詢客服了解
FA67-Y0.12-4P | FAZ67-Y0.12-4P | FHZ67-Y0.12-4P |
FA67-Y0.18-4P | FAZ67-Y0.18-4P | FHZ67-Y0.18-4P |
FA67-Y0.25-4P | FAZ67-Y0.25-4P | FHZ67-Y0.25-4P |
FA67-Y0.37-4P | FAZ67-Y0.37-4P | FHZ67-Y0.37-4P |
FA67-Y0.55-4P | FAZ67-Y0.55-4P | FHZ67-Y0.55-4P |
FA67-Y0.75-4P | FAZ67-Y0.75-4P | FHZ67-Y0.75-4P |
FA67-Y1.1-4P | FAZ67-Y1.1-4P | FHZ67-Y1.1-4P |
FA67-Y1.5-4P | FAZ67-Y1.5-4P | FHZ67-Y1.5-4P |
FA67-Y2.2-4P | FAZ67-Y2.2-4P | FHZ67-Y2.2-4P |
FA67-Y3-4P | FAZ67-Y3-4P | FHZ67-Y3-4P |
FA67-Y4-4P | FAZ67-Y4-4P | FHZ67-Y4-4P |
FA67-Y5.5-4P | FAZ67-Y5.5-4P | FHZ67-Y5.5-4P |
FVZ67-Y0.12-4P | FVZ67-Y0.37-4P | FVZ67-Y1.1-4P |
FVZ67-Y0.18-4P | FVZ67-Y0.55-4P | FVZ67-Y1.5-4P |
FVZ67-Y0.25-4P | FVZ67-Y0.75-4P | FVZ67-Y2.2-4P |
FVZ67-Y3-4P | FVZ67-Y4-4P | FVZ67-Y5.5-4P |

FA67系列硬齒面減速機能做到的減速比有:
1比229,1比195,1比170,1比162,1比142,1比120,1比109,1比95,1比90,1比79,1比67,1比61,1比53,1比50,1比43,1比39,1比34,1比36,1比32,1比27,1比25,1比22,1比20,1比18,1比16,1比14,1比12,1比11,1比9,1比8,1比7,1比6,1比5,1比4,1比3減速機
當采用三相異步電機配上上述的減速比,能做到的輸出轉速有:
6轉/分鐘,7轉/分鐘,8轉/分鐘,9轉/分鐘,12轉/分鐘,13轉/分鐘,15轉/分鐘,18轉/分鐘,21轉/分鐘,23轉/分鐘,26轉/分鐘,28轉/分鐘,32轉/分鐘,36轉/分鐘,41轉/分鐘,39轉/分鐘,44轉/分鐘,51轉/分鐘,56轉/分鐘,63轉/分鐘,67轉/分鐘,77轉/分鐘,85轉/分鐘,97轉/分鐘,110轉/分鐘,124轉/分鐘,145轉/分鐘,154轉/分鐘,163轉/分鐘,186轉/分鐘,206轉/分鐘,235轉/分鐘,267轉/分鐘,300轉/分鐘,353轉/分鐘減速機。
如果上述的參數要求不滿足您的設備的實際使用需求的話,您可以咨詢一下VEMTE減速器選型技術人員給您選型
下面是FAZ67,FHZ67,FVZ67減速器通用的安裝尺寸圖,若您需要非標圖紙或三維模型,請聯系客服

長時間使用的減速機,應該怎么進行更換潤滑油處理?
減速機的換油操作是維護減速機正常運轉的重要步驟。下面是減速機換油的具體步驟:
停機降溫:在進行換油操作之前,需要將伺服減速機停機降溫,確保其內部溫度降至正常范圍。
廢油排放:將減速機內部的廢油排放干凈,可以打開油底殼上的放油螺塞,將內部的潤滑油排出。
油底殼清洗:清洗減速機油底殼內的沉積物和雜質,保證油底殼內的清潔。
換油:打開油底殼和油窗,將舊油放出,然后倒入新的油,直到油窗處的油位達到標準要求。
換濾網:將減速機內部的濾網取出清洗或更換,以保證油路暢通。
封閉油底殼:將油底殼上的放水螺塞和油底殼蓋密封好,確保油路不泄漏。
測試運行:在換油完成后,需要進行測試運行,確保減速機運行正常。
需要注意的是,換油周期應該根據減速機的工作情況和使用頻率而定,通常建議每6個月到1年進行一次換油操作。同時,在進行換油操作時,需要佩戴個人防護裝備,確保人身安全。

更多的平行軸斜齒輪減速機型號請點擊→F系列減速機
購買須知:我司VEMT品牌所有系列產品,標準常用的,倉庫均備有現貨2000臺左右,非常用的需排單定做,請聯系客服咨詢貨期。凡購買我司品牌VEMT系列產品,不分價格高低,保修期內非人為原因免費維修,免費換新。兩年后免費維修,只收取零件成本費用,包含海外以及港澳臺區域。因各種設備企業對產品的要求標準不同,如果您的設備是出口的,請告知客服轉接我司VEMT工程部,告知您的高標準,我們VEMT工程部會為您量身定做百分百符合要求的產品。
跟此產品相關的產品 / Related Products
祥如機電產品中心
Product Center
聯系祥如機電

13528634927
微信13528634927