C系列機械手關節減速機詳細信息/Detailed Information
C系列機械手關節減速機
減速機規格:C系列機器人關節減速機
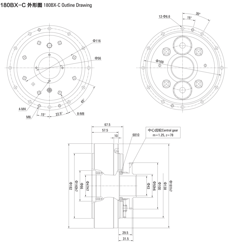
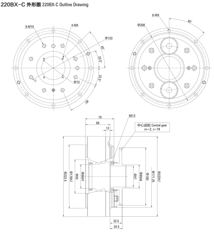
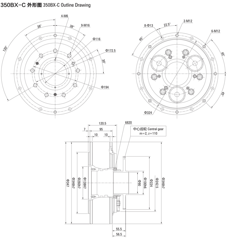
減速機型號:150BX 180BX 220BX 350BX 440BX 520BX
減速機比數:對應比數
減速機可配電機:對應功率
應用范圍:機器人,分割器代替的場所。
訂購熱線:13528634927
關鍵詞:C系列擺線針輪RV減速機,150BX減速機,220BX機器人減速機,180BX關節減速機
C系列機器人關節減速機-潤滑:機器人關節減速機在出廠時為填充潤滑脂,因此在安裝減速機時,請務必根據所需填充量填充建議的潤滑脂。減速機的潤滑劑填充量般占內部空間的70-90%,請確保有10%左右的空間未注滿。減速機安裝設計時請注意需要兩個注油孔,需要密封及方便加注油脂,排出油脂。機器人減速機封入油脂后,般更換油脂時間為5000小時左右,請定期檢查潤滑脂的老化,污染情況,并規定更換時間。請小心使用產品及部件:請勿使用錘子等用力敲打各部件及組合單元。此外,請確保不會因墜落等原因導致裂紋,癟痕等。否則會導致損壞等故障。請勿變更部件配套,本產品的各部件是配套加工而成,混同其他套間使用時,無法保證其能夠發揮特定性能。使用時,請勿超出容許轉矩,施加轉矩請不要超出瞬間容許大轉矩。否則可能會出現擰緊部螺栓的松動,產生晃動,破壞等,導致產品故障。如果輸出軸直接鏈接關節臂等,有可能因關節臂碰撞而導致破損,輸出軸不能控制。請勿拆解組合型產品,嚴禁對組合型產品試試拆解,重新組裝。否則,將無法回復其原有性能。
C系列機器人關節減速機圖片:(此圖由VEMT推廣部人員上傳,請以實物圖為準,可撥打電話15818497138獲取實物圖)
C系列機器人關節減速機型號:查看其他RV減速機型號,請點擊鏈接:http://www.tp520.com.cn/guanjiejiansuji.html
C系列機器人關節減速機部件:
購買須知:我司VEMT品牌所有系列產品,標準常用的,倉庫均備有現貨2000臺左右,非常用的需排單定做,請聯系客服咨詢貨期。凡購買我司品牌VEMT系列產品,不分價格高低,兩年內免費維修,免費換新。兩年后免費維修,只收取零件成本費用,包含海外以及港澳臺區域。因各種設備企業對產品的要求標準不同,如果您的設備是出口的,請告知客服轉接我司VEMT工程部,告知您的高標準,我們VEMT工程部會為您量身定做百分百符合要求的產品。
跟此產品相關的產品 / Related Products
祥如機電產品中心
Product Center
聯系祥如機電

13528634927
微信13528634927