SF77 SF77AD SF77AM直角輸出蝸輪蝸桿減速機詳細信息/Detailed Information
SF77 SF77AD SF77AM直角輸出蝸輪蝸桿減速機
減速機型號:S77 SA77 SAF77 SF77 SAZ77 SH77 SHF77 SHZ77
電機 功率:0.55KW-7.5KW
輸入 轉速:500-3000轉
單機 扭矩:20-1270N·M
單機 速比:8.06-256.47比
輸出 轉速:5.5-174轉/分鐘
斜齒輪蝸輪蝸桿傳動,傳動效率85%
交 期:1-10天
訂購熱線:13528634927
SF77是B5法蘭安裝斜齒輪-蝸輪蝸桿減速機
SF77AM是AM法蘭輸入B5法蘭安裝斜齒輪-蝸輪蝸桿減速機
SF77AD是AD軸輸入B5法蘭安裝斜齒輪-蝸輪蝸桿減速機
SF77,SF77AD,SF77AM系列蝸輪減速機的結構緊湊,采用高精度的齒輪設計和加工工藝,傳動效率高,可達到90%以上。它的傳動比范圍廣,扭矩輸出范圍也非常大,適用于各種機械設備的傳動裝置。S系列蝸輪減速機具有結構緊湊、傳動效率高、承載能力強、噪音低、維護保養簡單、適用范圍廣等特點,因此在各種機械傳動裝置中得到廣泛應用,例如冶金、水泥、化工、建筑、食品、包裝、紡織、印刷、攪拌、輸送等行業。
SF77,SF77AD,SF77AM系列減速機型號如下,不同廠家型號表示方式有差異,具體型號可咨詢客服了解

SF77系列減速機能做到的減速比有:
256.47比1,225.26比1,214比1,189.09比1,161.6比1,148.15比1,130比1,123.3比1,107.83比1,97.14比1,85.22比1,75.2比1,75.09比1,71.33比1,66.67比1,63.03比1,56.92比1,53.87比1,49.38比1,43.33比1,41.07比1,35.94比1,32.38比1,28.41比1,25.07比1,22.89比1,22.22比1,20.99比1,18.97比1,18.42比1,17.45比1,15.28比1,13.76比1,12.07比1,10.65比1,9.44比1,8.06比1減速機
當采用1450轉的三相異步電機進行匹配的時候,此時能做到的輸出扭矩有:
680牛·米,705牛·米,710牛·米,720牛·米,725牛·米,930牛·米,980牛·米,990牛·米,1020牛·米,1040牛·米,1050牛·米,1070牛·米,1090牛·米,1100牛·米,1140牛·米,1170牛·米,1200牛·米,1210牛·米,1240牛·米,1260牛·米,1270牛·米減速機。
如果上述的參數要求不滿足您的設備的實際使用的話,您可以咨詢一下VEMTE選型技術人員給您選型
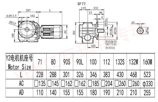
下面是SF77減速器通用的安裝尺寸圖紙,若您需要非標圖紙或三維模型請聯系客服

蝸輪蝸桿斜齒輪減速電機的使用安全系數怎么選?
減速電機的使用安全系數選擇應當取決于減速機的類型、載荷特性和使用環境,一般情況下可以選擇1.0~1.2作為使用安全系數。
對于低速精密減速機,可以選擇1.1至1.2之間的安全系數;
對于中低速均負荷減速機,可以選擇1.0至1.2之間的安全系數;
對于中到高速減速機,可以選擇1.0至1.3之間的安全系數;
對于惡劣環境、高溫應用和復雜工況條件,可以選擇1.2至1.5之間的安全系數。

更多的自鎖蝸輪蝸桿減速機型號請點擊→S系列減速機
購買須知:我司VEMT品牌所有系列產品,標準常用的,倉庫均備有現貨2000臺左右,非常用的需排單定做,請聯系客服咨詢貨期。凡購買我司品牌VEMT系列產品,不分價格高低,兩年內免費維修,免費換新。兩年后免費維修,只收取零件成本費用,包含海外以及港澳臺區域。因各種設備企業對產品的要求標準不同,如果您的設備是出口的,請告知客服轉接我司VEMT工程部,告知您的高標準,我們VEMT工程部會為您量身定做百分百符合要求的產品。
SF77AM是AM法蘭輸入B5法蘭安裝斜齒輪-蝸輪蝸桿減速機
SF77AD是AD軸輸入B5法蘭安裝斜齒輪-蝸輪蝸桿減速機
SF77,SF77AD,SF77AM系列蝸輪減速機的結構緊湊,采用高精度的齒輪設計和加工工藝,傳動效率高,可達到90%以上。它的傳動比范圍廣,扭矩輸出范圍也非常大,適用于各種機械設備的傳動裝置。S系列蝸輪減速機具有結構緊湊、傳動效率高、承載能力強、噪音低、維護保養簡單、適用范圍廣等特點,因此在各種機械傳動裝置中得到廣泛應用,例如冶金、水泥、化工、建筑、食品、包裝、紡織、印刷、攪拌、輸送等行業。
SF77,SF77AD,SF77AM系列減速機型號如下,不同廠家型號表示方式有差異,具體型號可咨詢客服了解
SF77-Y0.55-4P | S77AM80M4 | S77AD80M4 |
SF77-Y0.75-4P | S77AM90M4 | S77AD90M4 |
SF77-Y1.1-4P | S77AM90L4 | S77AD90L4 |
SF77-Y1.5-4P | S77AM100M4 | S77AD100M4 |
SF77-Y2.2-4P | S77AM112M4 | S77AD112M4 |
SF77-Y3-4P | S77AM132S4 | S77AD132S4 |
SF77-Y4-4P | S77AM132M4 | S77AD132M4 |
SF77-Y5.5-4P | 蝸輪蝸桿減速機 | SF77-Y7.5-4P |

SF77系列減速機能做到的減速比有:
256.47比1,225.26比1,214比1,189.09比1,161.6比1,148.15比1,130比1,123.3比1,107.83比1,97.14比1,85.22比1,75.2比1,75.09比1,71.33比1,66.67比1,63.03比1,56.92比1,53.87比1,49.38比1,43.33比1,41.07比1,35.94比1,32.38比1,28.41比1,25.07比1,22.89比1,22.22比1,20.99比1,18.97比1,18.42比1,17.45比1,15.28比1,13.76比1,12.07比1,10.65比1,9.44比1,8.06比1減速機
當采用1450轉的三相異步電機進行匹配的時候,此時能做到的輸出扭矩有:
680牛·米,705牛·米,710牛·米,720牛·米,725牛·米,930牛·米,980牛·米,990牛·米,1020牛·米,1040牛·米,1050牛·米,1070牛·米,1090牛·米,1100牛·米,1140牛·米,1170牛·米,1200牛·米,1210牛·米,1240牛·米,1260牛·米,1270牛·米減速機。
如果上述的參數要求不滿足您的設備的實際使用的話,您可以咨詢一下VEMTE選型技術人員給您選型
下面是SF77減速器通用的安裝尺寸圖紙,若您需要非標圖紙或三維模型請聯系客服

蝸輪蝸桿斜齒輪減速電機的使用安全系數怎么選?
減速電機的使用安全系數選擇應當取決于減速機的類型、載荷特性和使用環境,一般情況下可以選擇1.0~1.2作為使用安全系數。
對于低速精密減速機,可以選擇1.1至1.2之間的安全系數;
對于中低速均負荷減速機,可以選擇1.0至1.2之間的安全系數;
對于中到高速減速機,可以選擇1.0至1.3之間的安全系數;
對于惡劣環境、高溫應用和復雜工況條件,可以選擇1.2至1.5之間的安全系數。

更多的自鎖蝸輪蝸桿減速機型號請點擊→S系列減速機
購買須知:我司VEMT品牌所有系列產品,標準常用的,倉庫均備有現貨2000臺左右,非常用的需排單定做,請聯系客服咨詢貨期。凡購買我司品牌VEMT系列產品,不分價格高低,兩年內免費維修,免費換新。兩年后免費維修,只收取零件成本費用,包含海外以及港澳臺區域。因各種設備企業對產品的要求標準不同,如果您的設備是出口的,請告知客服轉接我司VEMT工程部,告知您的高標準,我們VEMT工程部會為您量身定做百分百符合要求的產品。
跟此產品相關的產品 / Related Products
祥如機電產品中心
Product Center
聯系祥如機電

13528634927
微信13528634927