RXF87 RXF87AD RXF87AM單級斜齒輪減速機詳細信息/Detailed Information
RXF87 RXF87AD RXF87AM單級斜齒輪減速機
減速機型號:R87 RF87 R87F RM87 RZ87 RX87 RXF87
電機 功率:0.55KW-22KW
輸入 轉速:500-2800RPM
單機 扭矩:5-1550N·M
單機 速比:1.39-246.54比
輸出 轉速:0.6-1005rpm/min
斜齒輪傳動,傳動效率95%
交 期:1-10天
訂購熱線:13528634927
RXF87是法蘭安裝單級斜齒輪減速機
RXF87AM是AM法蘭輸入的法蘭安裝單級斜齒輪減速機
RXF87AD是AD軸輸入的法蘭安裝單級斜齒輪減速機
RXF87,RXF87AD,RXF87AM系列斜齒輪硬齒面減速機是一種常用的減速機,能夠將高速輸入的動力轉換成低速輸出,具有可靠且耐久的特點。這種減速機主要由一對斜齒輪和一個外殼組成,齒輪的齒面呈斜面,可以有效地緩解齒輪間的沖擊和摩擦。同時,在硬齒面的加工和處理技術上,也具有極高的要求,以保證減速機的工作效率和壽命。他主要由模具鑄件、焊接零件組成,其中模具鑄件主要采用HT250增強型灰鑄鐵材料,拉力強,耐磨性好,縮短了輪軸的使用壽命;軸承座采用鑄鋼材料,具有良好的抗磨損性;軸承、法蘭盤等采用鋼材,具有良好的韌性、耐磨性和強度。減速機主要機構部件是斜齒輪、軸承和其它五金配件,均選用優質鋼材加工而成,其主要材質包括45鋼、40Cr、20CrMnTi和40NiCrMo等。
RXF87,RXF87AD,RXF87AM系列減速齒輪箱配上電機之后的型號如下,不同廠家的表示方式不一樣,具體型號可咨詢客服

RXF87單級減速機的減速比有:
1:1.39,1:1.6,1:1.93,1:2.15,1:2.48,1:2.76,1:3.09,1:3.48,1:3.78,1:4.5,1:5.07,1:5.56,1:6.45,1:7.2,1:7.63,1:8.65比減速機
采用四極三相異步電機配上上述的減速比,能做到的輸出扭矩有:
49Nm,139Nm,140Nm,192Nm,225Nm,250Nm,290Nm,290Nm,305Nm,315Nm,355Nm,385Nm,405Nm。
如果上述的參數要求不滿足您的設備的實際的使用需求的話,您可以咨詢一下VEMTE選型技術人員給您選型
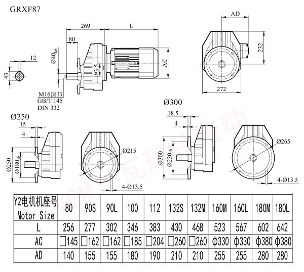
下面是RXF87減速器通用的安裝尺寸圖紙,若您需要非標圖紙或三維圖,您可以咨詢一下客服

下面是關于RXF系列減速器不同部件的介紹
RXF系列減速機的齒輪、軸、殼體等主要部件材料一般選用優質合金鋼,應力高、耐磨性好、抗沖擊性強、耐熱性能優越,具有很高的物理強度和硬度。這樣可以保證在經過長時間的使用后,減速機不會產生變形、變色等問題,并且可以有效地抵御外部的沖擊和磨損,從而提高產品使用壽命和運行效率。
其次,RXF硬齒面減速機的零部件如軸承、密封圈、油封等材料質量也與產品使用壽命和性能密切相關。軸承通常采用高強度鋼鐵材質,經過淬火處理,具有較高的硬度和強度,可以有效地防止軸承的磨損和破損。密封圈和油封通常采用聚氨酯、氟橡膠或硅橡膠等高彈性材質,具有較好的耐熱、耐油、耐腐蝕性能,可以有效地防止潤滑油的泄漏和污染。
然后,RXF系列減速機的制作工藝和技術在材料選擇和零部件加工方面也具有很高的要求。在制造過程中,需要確保所有部件的精度和尺寸符合設計要求,且必須通過各種嚴格的質量檢驗和測試,以確保減速機的穩定性和可靠性。同時,在零部件加工中,需要采用先進的技術和工藝,如精密鑄造、精密加工等,以保證部件的精度和質量,從而確保整個減速機的可靠性和性能。

更多的同軸斜齒輪減速器型號請點擊→R系列減速機
購買須知:我司VEMT品牌所有系列產品,標準常用的,倉庫均備有現貨2000臺左右,非常用的需排單定做,請聯系客服咨詢貨期。凡購買我司品牌VEMT系列產品,不分價格高低,兩年內免費維修,免費換新。兩年后免費維修,只收取零件成本費用,包含海外以及港澳臺區域。因各種設備企業對產品的要求標準不同,如果您的設備是出口的,請告知客服轉接我司VEMT工程部,告知您的高標準,我們VEMT工程部會為您量身定做百分百符合要求的產品。
RXF87AM是AM法蘭輸入的法蘭安裝單級斜齒輪減速機
RXF87AD是AD軸輸入的法蘭安裝單級斜齒輪減速機
RXF87,RXF87AD,RXF87AM系列斜齒輪硬齒面減速機是一種常用的減速機,能夠將高速輸入的動力轉換成低速輸出,具有可靠且耐久的特點。這種減速機主要由一對斜齒輪和一個外殼組成,齒輪的齒面呈斜面,可以有效地緩解齒輪間的沖擊和摩擦。同時,在硬齒面的加工和處理技術上,也具有極高的要求,以保證減速機的工作效率和壽命。他主要由模具鑄件、焊接零件組成,其中模具鑄件主要采用HT250增強型灰鑄鐵材料,拉力強,耐磨性好,縮短了輪軸的使用壽命;軸承座采用鑄鋼材料,具有良好的抗磨損性;軸承、法蘭盤等采用鋼材,具有良好的韌性、耐磨性和強度。減速機主要機構部件是斜齒輪、軸承和其它五金配件,均選用優質鋼材加工而成,其主要材質包括45鋼、40Cr、20CrMnTi和40NiCrMo等。
RXF87,RXF87AD,RXF87AM系列減速齒輪箱配上電機之后的型號如下,不同廠家的表示方式不一樣,具體型號可咨詢客服
RXF87-Y0.75-4P | RXF87AM80M4 | RXF87AD80M4 |
RXF87-Y1.1-4P | RXF87AM90S4 | RXF87AD90S4 |
RXF87-Y1.5-4P | RXF87AM90L4 | RXF87AD90L4 |
RXF87-Y2.2-4P | RXF87AM100L | RXF87AD100L |
RXF87-Y3-4P | RXF87AM112M4 | RXF87AD112M4 |
RXF87-Y4-4P | RXF87AM132S | RXF87AD132S |
RXF87-YVP5.5-4P | RXF87AM132M | RXF87AD132M |
RXF87-YVP7.5-4P | RXF87AM160M4 | RXF87AD160M4 |
RXF87-YVP11-4P | RXF87AM160L4 | RXF87AD160L4 |
RXF87-YVP15-4P | RXF87AM180M4 | RXF87AD180M4 |
RXF87-YVP18.5-4P | RXF87-YVP22-4P | 斜齒輪減速電機 |

RXF87單級減速機的減速比有:
1:1.39,1:1.6,1:1.93,1:2.15,1:2.48,1:2.76,1:3.09,1:3.48,1:3.78,1:4.5,1:5.07,1:5.56,1:6.45,1:7.2,1:7.63,1:8.65比減速機
采用四極三相異步電機配上上述的減速比,能做到的輸出扭矩有:
49Nm,139Nm,140Nm,192Nm,225Nm,250Nm,290Nm,290Nm,305Nm,315Nm,355Nm,385Nm,405Nm。
如果上述的參數要求不滿足您的設備的實際的使用需求的話,您可以咨詢一下VEMTE選型技術人員給您選型
下面是RXF87減速器通用的安裝尺寸圖紙,若您需要非標圖紙或三維圖,您可以咨詢一下客服

下面是關于RXF系列減速器不同部件的介紹
RXF系列減速機的齒輪、軸、殼體等主要部件材料一般選用優質合金鋼,應力高、耐磨性好、抗沖擊性強、耐熱性能優越,具有很高的物理強度和硬度。這樣可以保證在經過長時間的使用后,減速機不會產生變形、變色等問題,并且可以有效地抵御外部的沖擊和磨損,從而提高產品使用壽命和運行效率。
其次,RXF硬齒面減速機的零部件如軸承、密封圈、油封等材料質量也與產品使用壽命和性能密切相關。軸承通常采用高強度鋼鐵材質,經過淬火處理,具有較高的硬度和強度,可以有效地防止軸承的磨損和破損。密封圈和油封通常采用聚氨酯、氟橡膠或硅橡膠等高彈性材質,具有較好的耐熱、耐油、耐腐蝕性能,可以有效地防止潤滑油的泄漏和污染。
然后,RXF系列減速機的制作工藝和技術在材料選擇和零部件加工方面也具有很高的要求。在制造過程中,需要確保所有部件的精度和尺寸符合設計要求,且必須通過各種嚴格的質量檢驗和測試,以確保減速機的穩定性和可靠性。同時,在零部件加工中,需要采用先進的技術和工藝,如精密鑄造、精密加工等,以保證部件的精度和質量,從而確保整個減速機的可靠性和性能。

更多的同軸斜齒輪減速器型號請點擊→R系列減速機
購買須知:我司VEMT品牌所有系列產品,標準常用的,倉庫均備有現貨2000臺左右,非常用的需排單定做,請聯系客服咨詢貨期。凡購買我司品牌VEMT系列產品,不分價格高低,兩年內免費維修,免費換新。兩年后免費維修,只收取零件成本費用,包含海外以及港澳臺區域。因各種設備企業對產品的要求標準不同,如果您的設備是出口的,請告知客服轉接我司VEMT工程部,告知您的高標準,我們VEMT工程部會為您量身定做百分百符合要求的產品。
跟此產品相關的產品 / Related Products
祥如機電產品中心
Product Center
聯系祥如機電

13528634927
微信13528634927