R87F R87FAM R87FAD RM87臥式同軸型減速電機詳細信息/Detailed Information
R87F R87FAM R87FAD RM87臥式同軸型減速電機
減速機型號:R87 RF87 R87F RM87 RZ87 RX87 RXF87
電機 功率:0.55KW-22KW
輸入 轉速:500-2800RPM
單機 扭矩:5-1550N·M
單機 速比:1.39-246.54比
輸出 轉速:0.6-1005rpm/min
斜齒輪傳動,傳動效率95%
交 期:1-10天
訂購熱線:13528634927
R87F是底腳法蘭安裝斜齒輪減速機
R87FAM是AM法蘭輸入的底腳法蘭安裝斜齒輪減速機
R87FAD是AD軸輸入的底腳法蘭安裝斜齒輪減速機
RM87是B5法蘭帶有加長軸承箱的法蘭安裝斜齒輪減速電機
R87F,R87FAM,R87FAD,RM87系列斜齒輪硬齒面減速機是一種常用的減速機,能夠將高速輸入的動力轉換成低速輸出,具有可靠且耐久的特點。這種減速機主要由一對斜齒輪和一個外殼組成,齒輪的齒面呈斜面,可以有效地緩解齒輪間的沖擊和摩擦。同時,在硬齒面的加工和處理技術上,也具有極高的要求,以保證減速機的工作效率和壽命。除此之外,斜齒輪硬齒面減速機還可以配合其他機械設備一起使用,如發電機、電機、液壓馬達等。在船舶和港口吊裝設備中,它也是不可或缺的重要部件。總之,斜齒輪硬齒面減速機是現代機械設備中必不可少的重要部件,它的優點包括傳動效率高、耐久性強、噪聲小、工作平穩等,深受廣大用戶的喜愛。
R87F,R87FAM,R87FAD,RM87系列減速器配上三相異步電機之后型號如下,不同廠家型號表示有差異,具體型號可咨詢客服

R87F系列減速齒輪箱的減速比有:
1550N.m,1440N.m,1390N.m,1340N.m,1280N.m,1230N.m,1180N.m,1210N.m,1160N.m,1070N.m,1020N.m,910N.m減速機
如果上述的參數不滿足您的設備的實際使用參數要求的話,您可以咨詢VEMTE選型技術人員給您選型。
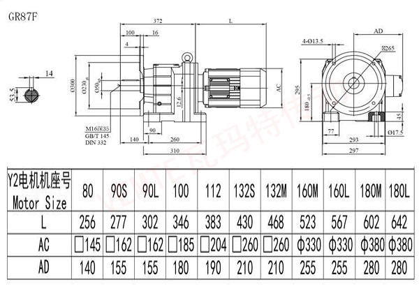
下面是R87F減速機通用的安裝尺寸圖紙,若您需要非標圖紙或三維模型請聯系客服

在長時間的使用過程中,需要對減速電機進行一些維護保養,那么包括哪些內容呢?
定期檢查伺服減速機的潤滑脂和潤滑油的狀況,如發現有異常應及時加油潤滑。
定期檢查減速機的零部件有無損壞,如發現損壞及時更換。
每一段周期檢查減速機的機械部件的振動狀況,以確保其工作的正常與安全。
經常安排預防性維護工作,確保減速機的正常操作。
定期清洗減速機內部組件上的灰塵和污垢,以防止故障發生。

更多的同軸斜齒輪減速器型號請點擊→R系列減速機
購買須知:我司VEMT品牌所有系列產品,標準常用的,倉庫均備有現貨2000臺左右,非常用的需排單定做,請聯系客服咨詢貨期。凡購買我司品牌VEMT系列產品,不分價格高低,兩年內免費維修,免費換新。兩年后免費維修,只收取零件成本費用,包含海外以及港澳臺區域。因各種設備企業對產品的要求標準不同,如果您的設備是出口的,請告知客服轉接我司VEMT工程部,告知您的高標準,我們VEMT工程部會為您量身定做百分百符合要求的產品。
R87FAM是AM法蘭輸入的底腳法蘭安裝斜齒輪減速機
R87FAD是AD軸輸入的底腳法蘭安裝斜齒輪減速機
RM87是B5法蘭帶有加長軸承箱的法蘭安裝斜齒輪減速電機
R87F,R87FAM,R87FAD,RM87系列斜齒輪硬齒面減速機是一種常用的減速機,能夠將高速輸入的動力轉換成低速輸出,具有可靠且耐久的特點。這種減速機主要由一對斜齒輪和一個外殼組成,齒輪的齒面呈斜面,可以有效地緩解齒輪間的沖擊和摩擦。同時,在硬齒面的加工和處理技術上,也具有極高的要求,以保證減速機的工作效率和壽命。除此之外,斜齒輪硬齒面減速機還可以配合其他機械設備一起使用,如發電機、電機、液壓馬達等。在船舶和港口吊裝設備中,它也是不可或缺的重要部件。總之,斜齒輪硬齒面減速機是現代機械設備中必不可少的重要部件,它的優點包括傳動效率高、耐久性強、噪聲小、工作平穩等,深受廣大用戶的喜愛。
R87F,R87FAM,R87FAD,RM87系列減速器配上三相異步電機之后型號如下,不同廠家型號表示有差異,具體型號可咨詢客服
R87F-Y0.75-4P | RM87Y80M4 | R87FAM80M4 |
R87F-YVP1.1-4P | RM87YB90S4 | R87FAM90S4 |
R87F-YVP1.5-4P | RM87YB90L4 | R87FAM90L4 |
R87F-YVP2.2-4P | RM87YB100L | R87FAM100L |
R87F-YVP3-4P | RM87YB112M4 | R87FAM112M4 |
R87F-Y4-4P | RM87Y132S | R87FAM132S |
R87F-YEJ5.5-4P | RM87Y132M | R87FAM132M |
R87F-YEJ7.5-4P | RM87Y160M4 | R87FAM160M4 |
R87F-YEJ11-4P | RM87Y160L4 | R87FAM160L4 |
R87F-YEJ15-4P | RM87Y180M4 | R87FAM180M4 |
R87F-YEJ18.5-4P | R87FAD80M4 | R87FAD100L |
R87F-Y22-4P | R87FAD90S4 | R87FAD112M4 |
R87FAD132M | R87FAD90L4 | R87FAD132S |
R87FAD160M4 | R87FAD160L4 | R87FAD180M4 |

R87F系列減速齒輪箱的減速比有:
1/5.3,1/6.39,1/7.13,1/8.22,1/9.14,1/9.9,1/11.93,1/13.33,1/15.35,1/17.08,1/19.1,1/21.51,1/23.4,1/27.84,
1/27.88,1/31.4,1/32.66,1/34.4,1/36.84,1/41.74,1/47.58,1/52.82,1/60.35,1/63.68,1/72.57,1/81.92,1/93.38,
1/103.65,1/118.43,1/124.97,1/142.41,1/155.34,1/181.77,1/205.71,1/216.54,1/246.54減速機
在上述的減速比下配上四極電機能做成的輸出扭矩有:1550N.m,1440N.m,1390N.m,1340N.m,1280N.m,1230N.m,1180N.m,1210N.m,1160N.m,1070N.m,1020N.m,910N.m減速機
如果上述的參數不滿足您的設備的實際使用參數要求的話,您可以咨詢VEMTE選型技術人員給您選型。
下面是R87F減速機通用的安裝尺寸圖紙,若您需要非標圖紙或三維模型請聯系客服

在長時間的使用過程中,需要對減速電機進行一些維護保養,那么包括哪些內容呢?
定期檢查伺服減速機的潤滑脂和潤滑油的狀況,如發現有異常應及時加油潤滑。
定期檢查減速機的零部件有無損壞,如發現損壞及時更換。
每一段周期檢查減速機的機械部件的振動狀況,以確保其工作的正常與安全。
經常安排預防性維護工作,確保減速機的正常操作。
定期清洗減速機內部組件上的灰塵和污垢,以防止故障發生。

更多的同軸斜齒輪減速器型號請點擊→R系列減速機
購買須知:我司VEMT品牌所有系列產品,標準常用的,倉庫均備有現貨2000臺左右,非常用的需排單定做,請聯系客服咨詢貨期。凡購買我司品牌VEMT系列產品,不分價格高低,兩年內免費維修,免費換新。兩年后免費維修,只收取零件成本費用,包含海外以及港澳臺區域。因各種設備企業對產品的要求標準不同,如果您的設備是出口的,請告知客服轉接我司VEMT工程部,告知您的高標準,我們VEMT工程部會為您量身定做百分百符合要求的產品。
跟此產品相關的產品 / Related Products
祥如機電產品中心
Product Center
聯系祥如機電

13528634927
微信13528634927