HRV機器人關節減速機詳細信息/Detailed Information
HRV機器人關節減速機
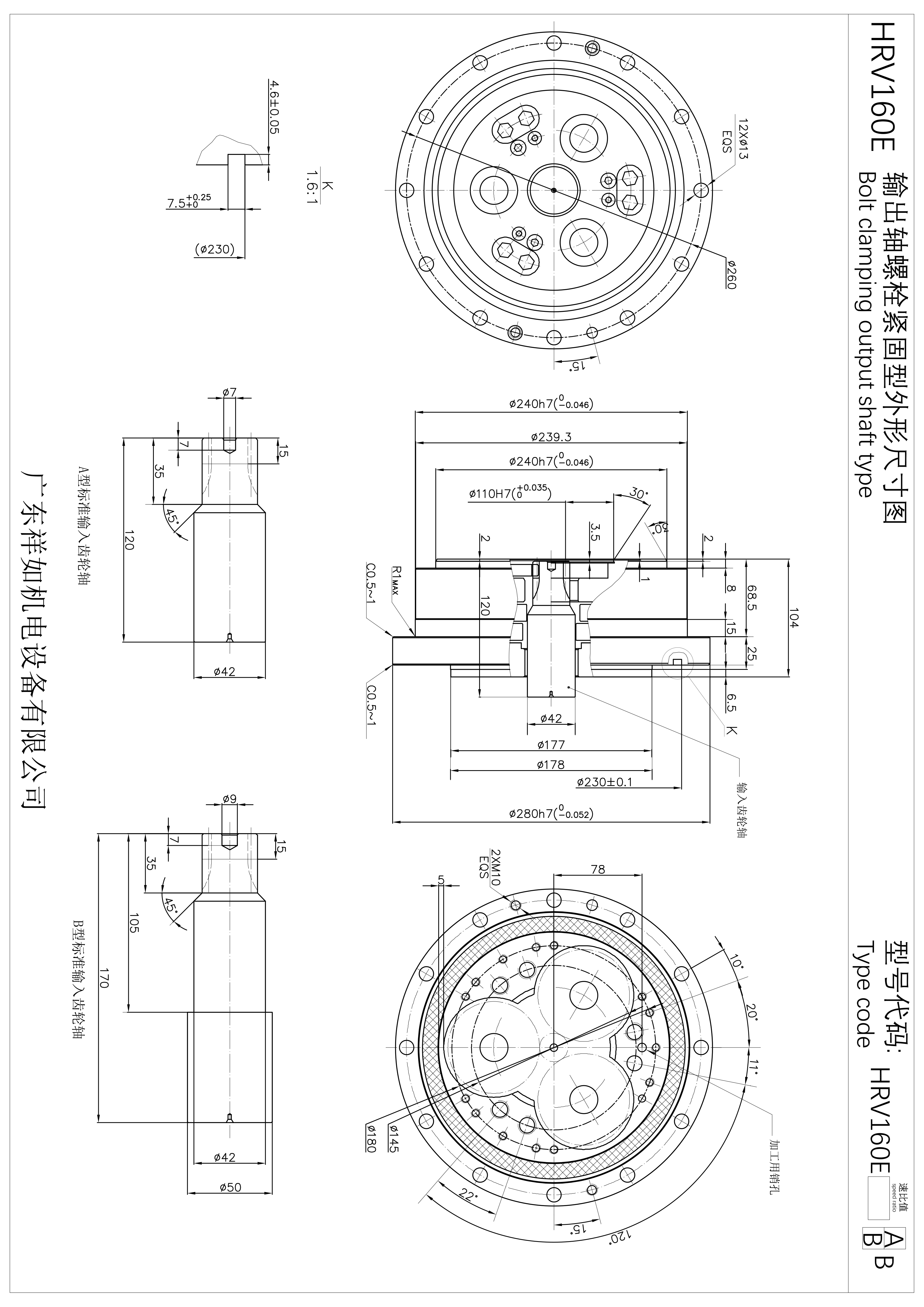
減速機型號:HRV6E HRV20E HRV40E HRV80E HRV110E HRV160E HRV320E HRV450E
電機 功率:0.16KW-15KW
減速機扭矩:113NM-6130NM
減速機比數:57-200
應用 范圍:醫療機械,工業機器人,風力發電機,機床,精密定位轉臺,機床刀塔等等
訂購熱線:13528634927
HRV-E系列機器人關節減速機
減速機型號:HRV6E,HRV20E,HRV40E,HRV80E,HRV110E,HRV160E,HRV320E,HRV450E
減速電機減速比:57,81,101,105,118.5,121,129,141,145,153,154.85,161,171,175.29,185,192.43。
輸出扭矩范圍:113NM-6130NM
HRV-E型關節齒輪減速機潤滑
1.減速器推薦使用潤滑脂:Molywhite RE No.00。
2.減速器出廠時未填充潤滑脂,在安裝時務必填充指定的潤滑脂(使用空氣壓等進行潤滑脂填充時,請將設定壓力設定為0.03MPa以下)。
3.減速器內部的潤滑脂建議填充量見下表。由于電機安裝一側的空間不含在內,所以填充時也請填充該空間。實際填充量為(減速器內部空間容積+電機安裝空間容積)的90%左右。
4.減速器內部的潤滑脂標準更換時間為20000小時。在被污染或惡劣的環境下使用時,需檢查潤滑油脂老化、被污染情況,并合理縮短更換時間。

HRV-E系列減速器特點
1.傳動比范圍大。
2.扭轉剛度大。輸出機構為兩端支承的行星架,其扭轉剛度遠大于一般擺線針輪行星減速器的輸出機構。在額定轉矩下,彈性回差小。
3.設計合理、制造和裝配精度得到保證時,可實現高精度和小間隙回差。
4.傳動效率高。齒輪傳動結構,擁有更高的效率;
4.體積小,重量輕。由于第一級為行星輪傳動,第二級為擺線針輪多齒嚙合傳動,同時傳動機構可置于行星架的支承軸承內,使軸向尺寸大為縮減,故體積大為減小。
減速機型號:HRV6E,HRV20E,HRV40E,HRV80E,HRV110E,HRV160E,HRV320E,HRV450E
減速電機減速比:57,81,101,105,118.5,121,129,141,145,153,154.85,161,171,175.29,185,192.43。
輸入伺服功率:0.16,0.23,0.26,0.35,0.37,0.43,0.50,0.62,0.71,0.72,0.80,0.84,0.92,1,1.1,1.3
0.4,0.54,0.56,0.75,0.86,1.03,1.06,1.16,1.23,1.39,1.4,1.5,1.62,1.66,1.7,1.71,1.89,2,2.25,2.26,2.29,2.36,2.46,2.65,2.7,2.75,3,3.03,3.2,3.26,3.65,3.78,4,4.27,4.3,4.45,4.63,4.95,5.3,6.6,6.95,8,9.24,9.4,10.5,11.29,13.2(您可以直接咨詢客服或者是咨詢VEMTE選型技術人員)輸出扭矩范圍:113NM-6130NM
工作原理:RV-E型諧波減速機是二級減速型。前一減速部分行星輪減速器構旋轉輸入軸,其一端的太陽輪傳遞到行星輪,按齒比進行減速。第二減速部分差動齒輪減速器構行星輪與曲柄軸相連接,變為第二減速部分的輸入。在曲柄軸的偏心部分,通過滾動軸承安裝擺線輪。針齒殼內壁以同等間距開有針銷孔安裝針銷,針銷數量比擺線輪的齒數多1個。如果固定針齒殼轉動行星輪,則擺線輪由于曲柄軸的偏心運動而進行平行四邊形運動。此時如果曲柄軸轉動1周,則擺線輪會沿著曲柄軸相反的方向轉動1個齒。這個轉動被輸出到第二減速部分的行星架上。若將行星架固定時,針齒殼則成為輸出端。

HRV-E型關節齒輪減速機潤滑
1.減速器推薦使用潤滑脂:Molywhite RE No.00。
2.減速器出廠時未填充潤滑脂,在安裝時務必填充指定的潤滑脂(使用空氣壓等進行潤滑脂填充時,請將設定壓力設定為0.03MPa以下)。
3.減速器內部的潤滑脂建議填充量見下表。由于電機安裝一側的空間不含在內,所以填充時也請填充該空間。實際填充量為(減速器內部空間容積+電機安裝空間容積)的90%左右。
4.減速器內部的潤滑脂標準更換時間為20000小時。在被污染或惡劣的環境下使用時,需檢查潤滑油脂老化、被污染情況,并合理縮短更換時間。

HRV-E系列減速器特點
1.傳動比范圍大。
2.扭轉剛度大。輸出機構為兩端支承的行星架,其扭轉剛度遠大于一般擺線針輪行星減速器的輸出機構。在額定轉矩下,彈性回差小。
3.設計合理、制造和裝配精度得到保證時,可實現高精度和小間隙回差。
4.傳動效率高。齒輪傳動結構,擁有更高的效率;
4.體積小,重量輕。由于第一級為行星輪傳動,第二級為擺線針輪多齒嚙合傳動,同時傳動機構可置于行星架的支承軸承內,使軸向尺寸大為縮減,故體積大為減小。
購買須知:我司VEMT品牌所有系列產品,標準常用的,倉庫均備有備件,非常用的需排單定做,請聯系客服咨詢貨期。凡購買我司品牌VEMT系列產品,不分價格高低,兩年內免費維修,免費換新。兩年后伺服減速機免費維修,只收取零件成本費用,包含海外以及港澳臺區域。因各種設備企業對產品的要求標準不同,如果您的設備是出口的,請告知客服轉接我司VEMT工程部,告知您的高標準,我們VEMT工程部會為您量身定做百分百符合要求的產品。
跟此產品相關的產品 / Related Products
祥如機電產品中心
Product Center
聯系祥如機電

13528634927
微信13528634927