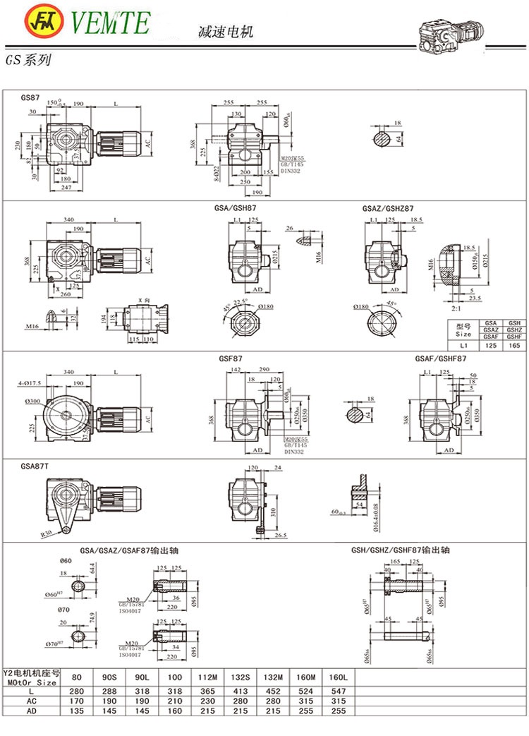
這是S06減速機、SA06減速機、SAF06蝸輪蝸桿減速機以及SF06減速電機的雞腿的型號以及安裝尺寸圖紙。而S06系列減速機對應的國內的大眾型號為S87減速機。
S06DM80M1 | SF06DM100M | SF06DM80M1 |
S06DM80M2 | SF06DM100L | SF06DM80M2 |
S06DM90S | SF06DM112M | SF06DM90S |
S06DM90L | SF06DM132S | SF06DM90L |
S06DM100M | SF06DM132M | SA06DM80M1 |
S06DM100L | SA06DM100M | SA06DM80M2 |
S06DM112M | SA06DM100L | SA06DM90S |
S06DM132S | SA06DM112M | SA06DM90L |
S06DM132M | SA06DM132S | SAF06DM80M1 |
S06DM132L | SA06DM132M | SAF06DM80M2 |
S06DM160M | SA06DM132L | SAF06DM90S |
S06DM160L | SA06DM160M | SAF06DM90L |
SAF06DM112M | SA06DM160L | SF06DM132L |
SAF06DM132S | SAF06DM100M | SF06DM160M |
SAF06DM132M | SAF06DM100L | SF06DM160L |
SAF06DM132L | SAF06DM160M | SAF06DM160L |

下一篇:S07系列蝸輪蝸桿減速機型號上一篇:S05系列蝸輪蝸桿減速機型號
此文關鍵字:S06系列蝸輪蝸桿減速機型號